Запчасти Case 721D (07-05B) - HYDRAULICS - BRAKE, MAIN - RESERVOIR - PUMP (07) - BRAKES

Схема запчастей Case 721D - (07-05B) - HYDRAULICS - BRAKE, MAIN - RESERVOIR - PUMP (07) - BRAKES
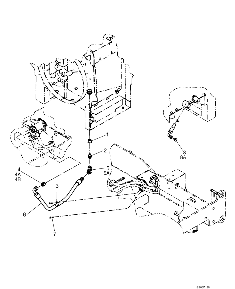
8a
3
5
1
2
8
4a
5a
7
6
4b
4
FIT
1:1
100%

Артикул

Название

Примечание

Количество

REF

INSTRUCTION

SERVICE KIT BRAKE PUMP SUCTION HOSE

1шт.

REF

INSTRUCTION

USED WITH TIER II WITHOUT AUXILIARY STEERING

1шт.

1

221-608

REDUCER,Hex, 1 1/4" x 3/4" NPT

1шт.

2

87433494

HYD CONNECTOR

1шт.

3

515-23365

CLAMP,1 7/16", Insul, 3/8" Bolt

1шт.

4

700-166

HYD CONNECTOR,1-7/16" - 12 Male ORFS x M27 x 2 Male ORB

Incl. 4A, 4B

1шт.

4a

637-64236

O-RING,2.9mm Thk x 23.6mm ID, Cl 6, 90 Duro

Boss Seal

1шт.

4b

238-6018

O-RING,0.07" Thk x 0.739" ID, -18, Cl 6, 90 Duro

Face Seal

1шт.

5

701-339

ELBOW,90 Degree Elbow, 1-7/16" - 12 Male ORFS x 1-7/16" - 16 Female ORFS

25mm or l in; Incl. 5A

1шт.

5a

238-6021

O-RING,15/16 X 1 - 1/16, Cl 6

Face Seal

1шт.

6

87326633

FLEXIBLE HOSE

Brake Pump Suction; 1203mm ( 47 1/3 in )

1шт.

7

627-10050

BOLT,Hex, M10 x 1.5 x 50mm, Cl 10.9, Full Thd

2шт.

8

701-914

PLUG,Hex, 1-3/16" - 12 ORFS

Incl. 8A

2шт.

8a

238-6018

O-RING,0.07" Thk x 0.739" ID, -18, Cl 6, 90 Duro

Face Seal

2шт.

Выбрано товаров: 14