Запчасти Case 721D (08-07) - HYDRAULICS - COOLER WITHOUT BYPASS (08) - HYDRAULICS

Схема запчастей Case 721D - (08-07) - HYDRAULICS - COOLER WITHOUT BYPASS (08) - HYDRAULICS
5
1
4a
3a
3
2
3b
4
5
FIT
1:1
100%

Артикул

Название

Примечание

Количество

REF

INSTRUCTION

NO BYPASS

1шт.

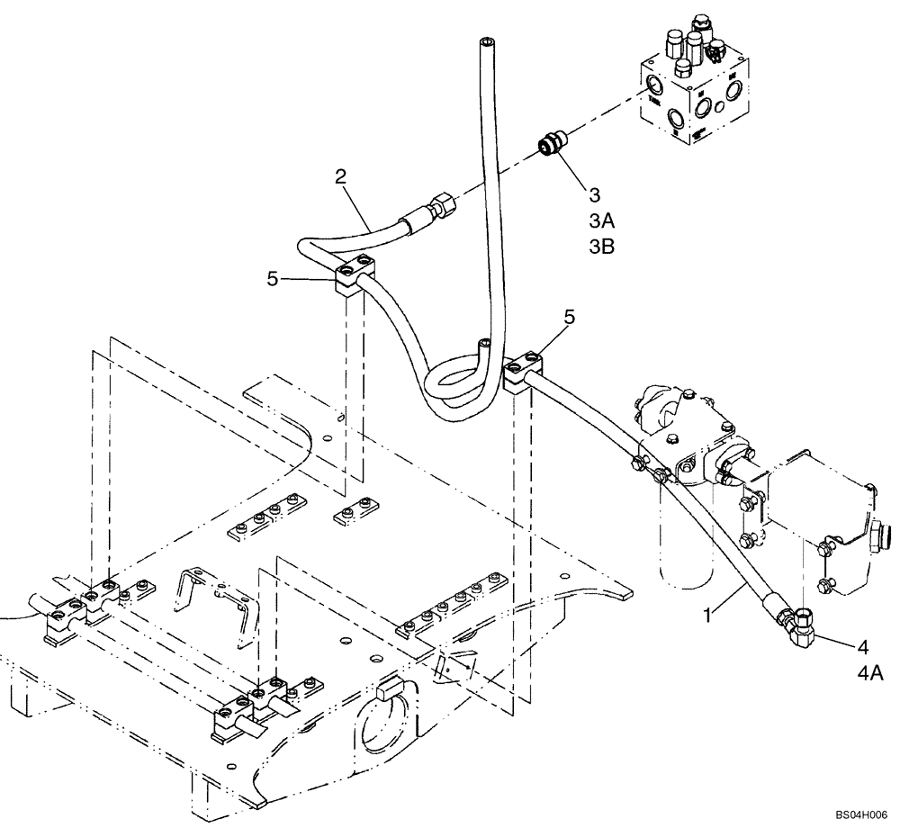
1

8501322

FLEXIBLE HOSE

Cooler Return

1шт.

2

8501321

FLEXIBLE HOSE

Fan, Serial Range: Valve-Cooler

1шт.

3

700-104

HYD CONNECTOR,1-3/16" - 12 Male ORFS x M27 x 2 Male ORB

Incl. 3A, 3B

1шт.

3a

238-6018

O-RING,0.07" Thk x 0.739" ID, -18, Cl 6, 90 Duro

Face Seal

1шт.

3b

637-64236

O-RING,2.9mm Thk x 23.6mm ID, Cl 6, 90 Duro

Boss Seal

1шт.

4

701-361

ELBOW,90 Degree Elbow, 1" - 14 Male ORFS x 1" - 14 Female ORFS

Incl. 4A

1шт.

4a

238-6016

O-RING,0.07" Thk x 0.614" ID, -16, Cl 6, 90 Duro

Face Seal

2шт.

5

367489A1

BLOCK

Mounting

2шт.

Выбрано товаров: 9