Запчасти Case 721D (08-08) - HYDRAULICS - PUMP MOUNTING (08) - HYDRAULICS

Схема запчастей Case 721D - (08-08) - HYDRAULICS - PUMP MOUNTING (08) - HYDRAULICS
6
10
3
4
5
11
8
7
2
1
9
FIT
1:1
100%

Артикул

Название

Примечание

Количество

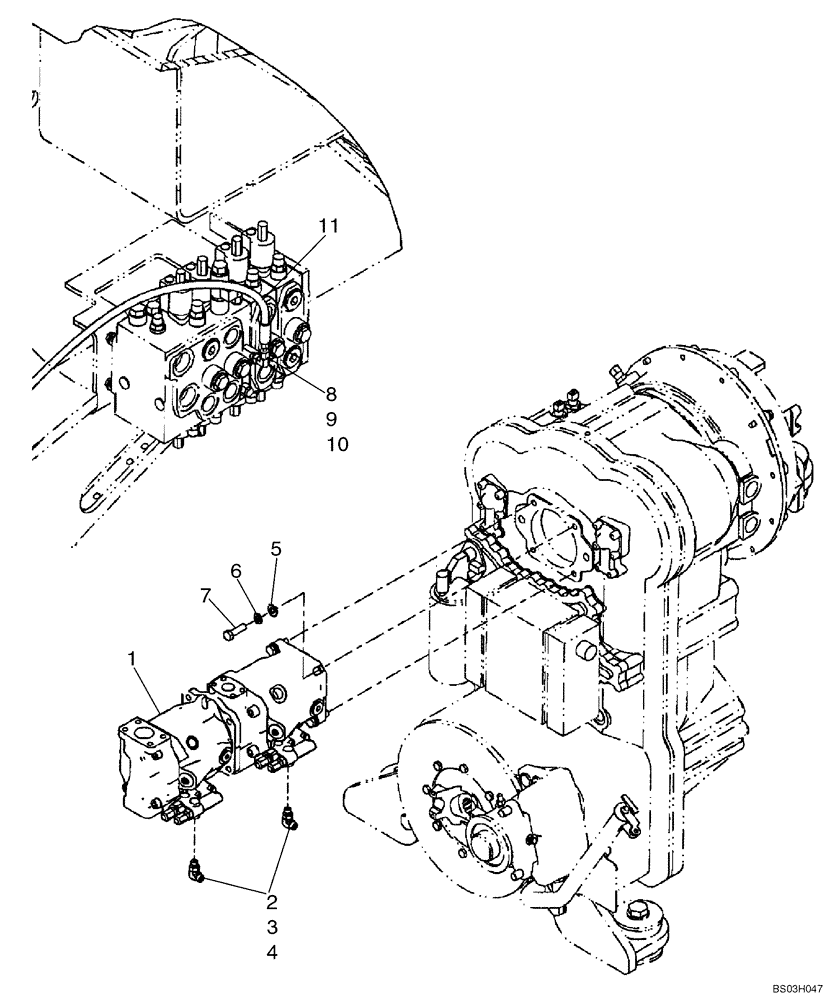
1

8500387

HYDRAULIC PUMP

See Figure 08-08A

1шт.

2

700-303

ELBOW,90 Degree Elbow, 9/16" - 18 Male ORFS x M12 x 1.5 Male ORB

Adj; Incl. 3, 4

2шт.

3

238-6011

O-RING,0.07" Thk x 0.301" ID, -11, Cl 6, 90 Duro

Face Seal

1шт.

4

637-63093

O-RING,2.2mm Thk x 9.3mm ID, Cl 6, 90 Duro

Boss End

1шт.

5

896-11012

WASHER,13.5mm ID x 24mm OD x 3mm Thk

4шт.

6

892-11012

LOCK WASHER,M12

4шт.

7

627-12040

BOLT,Hex, M12 x 1.75 x 40mm, Cl 10.9, Full Thd

4шт.

8

700-378

ELBOW,90 Degree Elbow, 9/16" - 18 Male ORFS x M14 x 1.5 Male ORB

90 deg adj; 8mm; Incl. 9, 10

1шт.

9

238-6011

O-RING,0.07" Thk x 0.301" ID, -11, Cl 6, 90 Duro

Face Seal

1шт.

10

637-63113

O-RING,2.2mm Thk x 11.3mm ID, Cl 6

Boss End

1шт.

11

8500320

FLEXIBLE HOSE

2527mm ( 99 1/2 in ); Articulation Load Sense

1шт.

Выбрано товаров: 11