Запчасти Case 721D (08-18B) - LOADER CONTROL - JOYSTICK CONTROL (08) - HYDRAULICS

Схема запчастей Case 721D - (08-18B) - LOADER CONTROL - JOYSTICK CONTROL (08) - HYDRAULICS
9
12
11
13
2
13
7
3
1
11
4
10
7
11
12
7
7
5
8
5
6
9
6
12
5
13
12
13
11
9
FIT
1:1
100%

Артикул

Название

Примечание

Количество

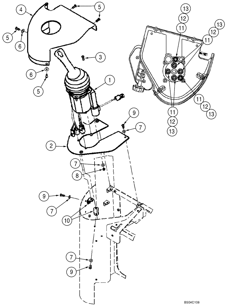
1

414391A1

JOYSTICK

Joystick; Incl. Figure(s) 08-18A, 18B; Replaced By 8603083 Control Valve; Incl. 2 - 13

1шт.

1

8603083

JOYSTICK

Joystick; Incl. Figure(s) 08-18A, 18B; Replaces 414391A1 Control Valve; Incl. 2 - 13

1шт.

2

400978A2

PLATE

1шт.

3

840-1625

SCREW,Pan, M6 x 25mm, Cl 4.8

4шт.

4

400400A1

COVER

1шт.

5

239105A1

SCREW,Cross Pan Hd, M6 x 20mm

4шт.

6

1990502C1

WASHER

1/4 x 13/16 x 1/16 in

2шт.

7

895-25006

WASHER,6.6mm ID x 18mm OD x 1.6mm Thk

10шт.

8

832-10406

NUT,M6 x 1, Cl 8

4шт.

9

840-1620

SCREW,Pan, M6 x 20mm, Cl 4.8

6шт.

10

400843A2

BRACKET

2шт.

11

700-101

HYD CONNECTOR,11/16" - 16 Male ORFS x M14 x 1.5 Male ORB

Incl. 12, 13

6шт.

12

238-6012

O-RING,0.07" Thk x 0.364" ID, -12, Cl 6, 90 Duro

Face Seal

1шт.

13

637-63113

O-RING,2.2mm Thk x 11.3mm ID, Cl 6

1шт.

Выбрано товаров: 0