Запчасти Case 721D (08-21) - LOADER CONTROL - TWO LEVER (08) - HYDRAULICS

Схема запчастей Case 721D - (08-21) - LOADER CONTROL - TWO LEVER (08) - HYDRAULICS
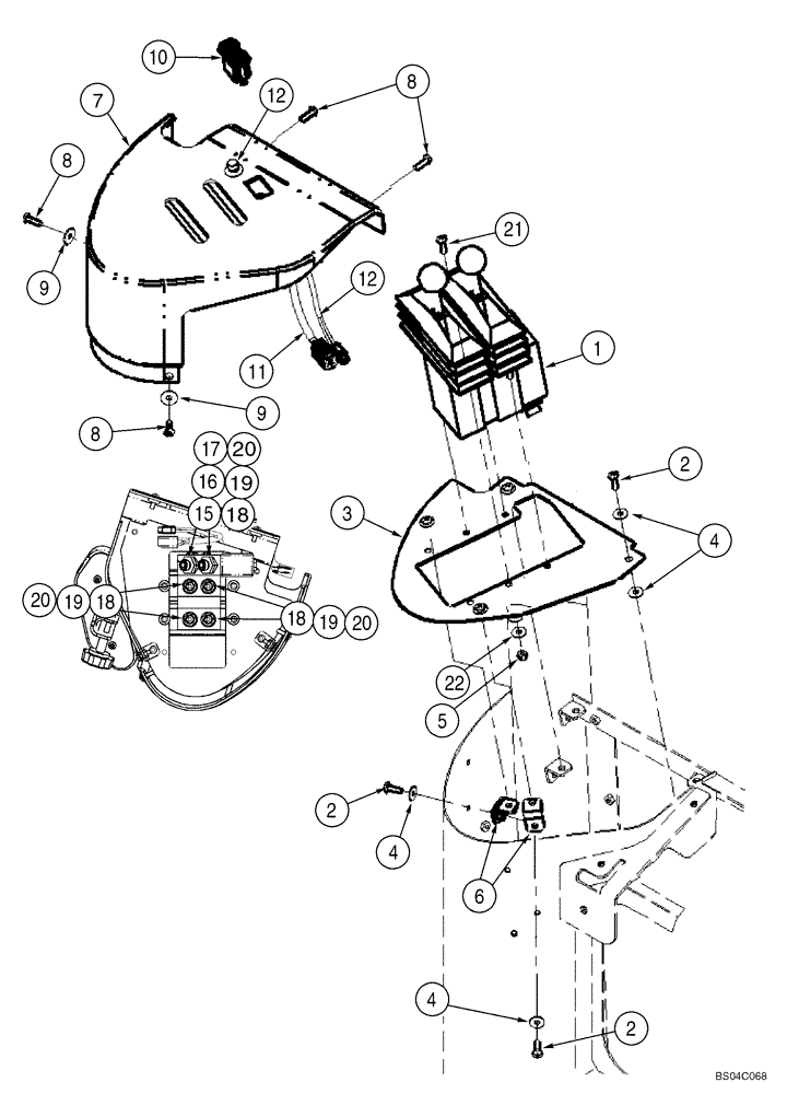
17
4
3
8
10
8
19
18
12
11
9
19
18
18
21
4
8
20
5
1
6
9
2
7
16
4
2
15
19
20
12
22
2
20
FIT
1:1
100%

Артикул

Название

Примечание

Количество

REF

INSTRUCTION

DUAL LEVER WITH TWO SPOOL VALVE

1шт.

1

407868A2

VALVE, CONTROL

Dual Lever With Two Spool Valve; See Figure 08-21A

1шт.

2

840-1620

SCREW,Pan, M6 x 20mm, Cl 4.8

6шт.

3

407999A2

PLATE

1шт.

4

895-25006

WASHER,6.6mm ID x 18mm OD x 1.6mm Thk

6шт.

5

832-10405

NUT,M5 x .8, Cl 8

4шт.

6

400843A2

BRACKET

2шт.

7

407870A1

COVER

1шт.

8

239105A1

SCREW,Cross Pan Hd, M6 x 20mm

4шт.

9

1990502C1

WASHER

1/4 x 13/16 x 1/16 in

2шт.

10

400833A2

SWITCH

Rocker; Forward/Neutral/Reverse

1шт.

11

402060A1

WIRE HARNESS

Forward/Neutral/Reverse Switch

1шт.

12

402390A1

SWITCH

Push Button; Downshift; Incl. 13, 14

1шт.

13

NSS

NOT SOLD SEPARAT

Washer, Lock; Not Illustrated

1шт.

14

NSS

NOT SOLD SEPARAT

Nut; Not Illustrated

1шт.

15

700-315

ELBOW,45 Degree Elbow, 11/16" - 16 Male ORFS x M14 x 1.5 Male ORB

3/4 x 13/16; Incl. 16, 17; If Used

2шт.

16

238-6012

O-RING,0.07" Thk x 0.364" ID, -12, Cl 6, 90 Duro

Face Seal

1шт.

17

637-63113

O-RING,2.2mm Thk x 11.3mm ID, Cl 6

1шт.

18

700-101

HYD CONNECTOR,11/16" - 16 Male ORFS x M14 x 1.5 Male ORB

9/16 fc sl x 9/16 orb; Incl. 19, 20; If Used

4-6шт.

19

238-6012

O-RING,0.07" Thk x 0.364" ID, -12, Cl 6, 90 Duro

Face Seal

1шт.

20

637-63113

O-RING,2.2mm Thk x 11.3mm ID, Cl 6

1шт.

21

840-1516

SCREW,Pan, M5 x 16mm, Cl 4.8

4шт.

22

895-11006

WASHER,6.6mm ID x 12mm OD x 1.6mm Thk

5.5 x 10 x 1 mm

4шт.

Выбрано товаров: 23