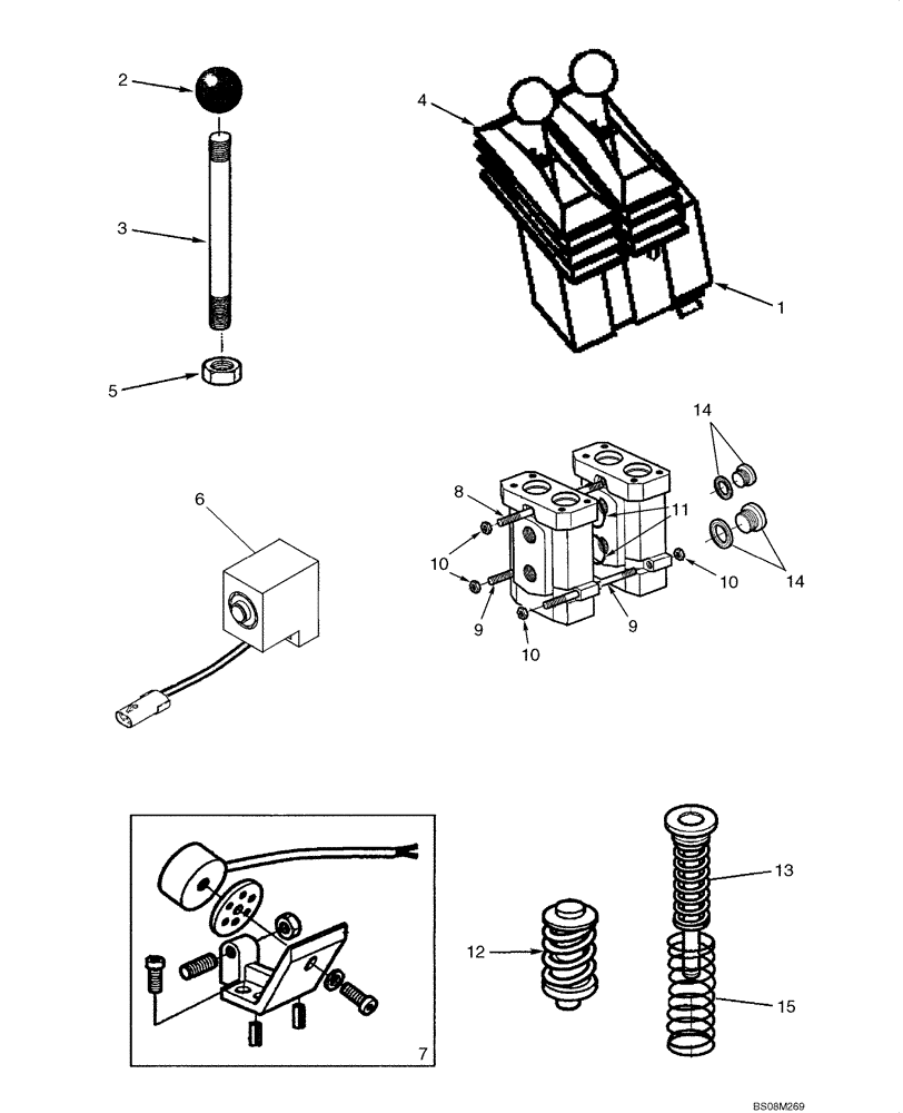
Запчасти Case 721D (08-21A) - VALVE ASSY - TWO LEVER LOADER CONTROL (08) - HYDRAULICS

Схема запчастей Case 721D - (08-21A) - VALVE ASSY - TWO LEVER LOADER CONTROL (08) - HYDRAULICS
11
9
6
10
14
13
12
15
10
5
10
7
3
2
4
14
1
9
8
FIT
1:1
100%

Артикул

Название

Примечание

Количество

1

407868A2

VALVE, CONTROL

Two Lever; Two Spool; Incl. 2 - 16

1шт.

410879A1

KIT

Handle; Incl. 2 - 5

2шт.

2

NSS

NOT SOLD SEPARAT

Knob

1шт.

3

NSS

NOT SOLD SEPARAT

Handle

1шт.

4

NSS

NOT SOLD SEPARAT

Boot

1шт.

5

NSS

NOT SOLD SEPARAT

Nut

1шт.

6

410880A1

SOLENOID

2шт.

7

410881A1

KIT

Magnet

2шт.

410933A1

KIT

Rod; Incl. 8 - 10

1шт.

8

NSS

NOT SOLD SEPARAT

Rod

1шт.

9

NSS

NOT SOLD SEPARAT

Rod

2шт.

10

NSS

NOT SOLD SEPARAT

Nut

6шт.

11

410885A1

SEAL

6шт.

12

410883A1

KIT

Pin

2шт.

13

410884A1

SPRING

2шт.

14

86983335

MAGNETIC PLUG

3шт.

15

86983334

SPRING

Pack

1шт.

16

440657A1

SPACER

Not Illustrated

1шт.

Выбрано товаров: 0