Запчасти Case 721D (09-50) - AIR CONDITIONING - COMPRESSOR MOUNTING (09) - CHASSIS

Схема запчастей Case 721D - (09-50) - AIR CONDITIONING - COMPRESSOR MOUNTING (09) - CHASSIS
3
2
3
2
3
1
2
FIT
1:1
100%

Артикул

Название

Примечание

Количество

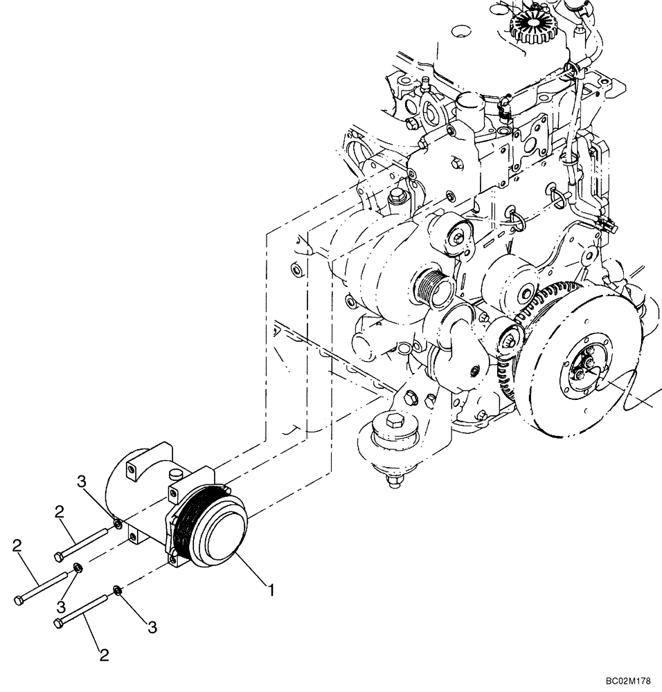
1

8500795

AIRCOND. COMPRESSOR,W/ Pulley

Air Conditioning; Component Parts Not Serviced Separately

1шт.

8500795R

REMAN-COMPRESSOR,W/ Pulley

721D (1/03-)

1шт.

8500795C

CORE-COMPRESSOR

Return Number

1шт.

2

827-8100

BOLT,Hex, M8 x 1.25 x 100mm, Cl 10.9

3шт.

3

895-11008

WASHER,9mm ID x 16mm OD x 1.6mm Thk

3шт.

Выбрано товаров: 5