Запчасти Case 721D (09-52) - CANOPY - COVERS - VANDAL GUARD (09) - CHASSIS

Схема запчастей Case 721D - (09-52) - CANOPY - COVERS - VANDAL GUARD (09) - CHASSIS
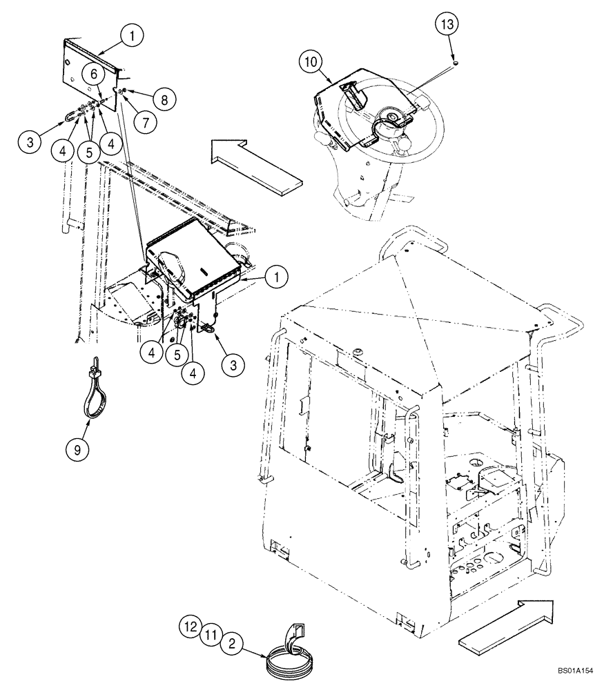
5
10
3
4
6
8
1
2
4
11
1
7
12
4
5
9
13
3
4
FIT
1:1
100%

Артикул

Название

Примечание

Количество

REF

INSTRUCTION

ANTI-VANDALISM

1шт.

418418A1

COVER

Control; Incl. 1, 2

1шт.

1

368162A2

COVER

1шт.

2

60-6359T1

GASKET

194 mm (7-5/8 in); Cut from F64277X

2шт.

3

1977938C1

U-BOLT,1/4" - 20 x 1 7/16", Carbon Steel

BOLT "U" 1/4

2шт.

4

425-144

JAM NUT,Jam, 1/4"-20, G5

8шт.

5

495-21031

WASHER,1/4"

5/16 x 3/4 x 1/16

8шт.

6

811-6025

CARRIAGE BOLT,Sht Sq Nk, M6 x 1 x 25mm, Cl 8.8

3шт.

7

895-25006

WASHER,6.6mm ID x 18mm OD x 1.6mm Thk

3шт.

8

832-10406

NUT,M6 x 1, Cl 8

3шт.

9

22-824

CABLE TIE,3/16" x 7 1/4"

CABLE STRAP

1шт.

418413A1

COVER

Instrument Cluster; Incl. 10 - 13

1шт.

10

362875A2

COVER

1шт.

11

60-6358T1

GASKET

63 mm (2-1/2 in); Cut from F64277X

6шт.

12

70-5848T1

SEAL

140 mm (5-1/2 in); Cut from F64277X

1шт.

13

362869A1

SPACER

4шт.

Выбрано товаров: 16