Запчасти Case 721D (02-25) - CYLINDER BLOCK - PLUG ASSY (02) - ENGINE

Схема запчастей Case 721D - (02-25) - CYLINDER BLOCK - PLUG ASSY (02) - ENGINE
11
2
9
5
8
7
1
4
6
8
12
3
10
13
FIT
1:1
100%

Артикул

Название

Примечание

Количество

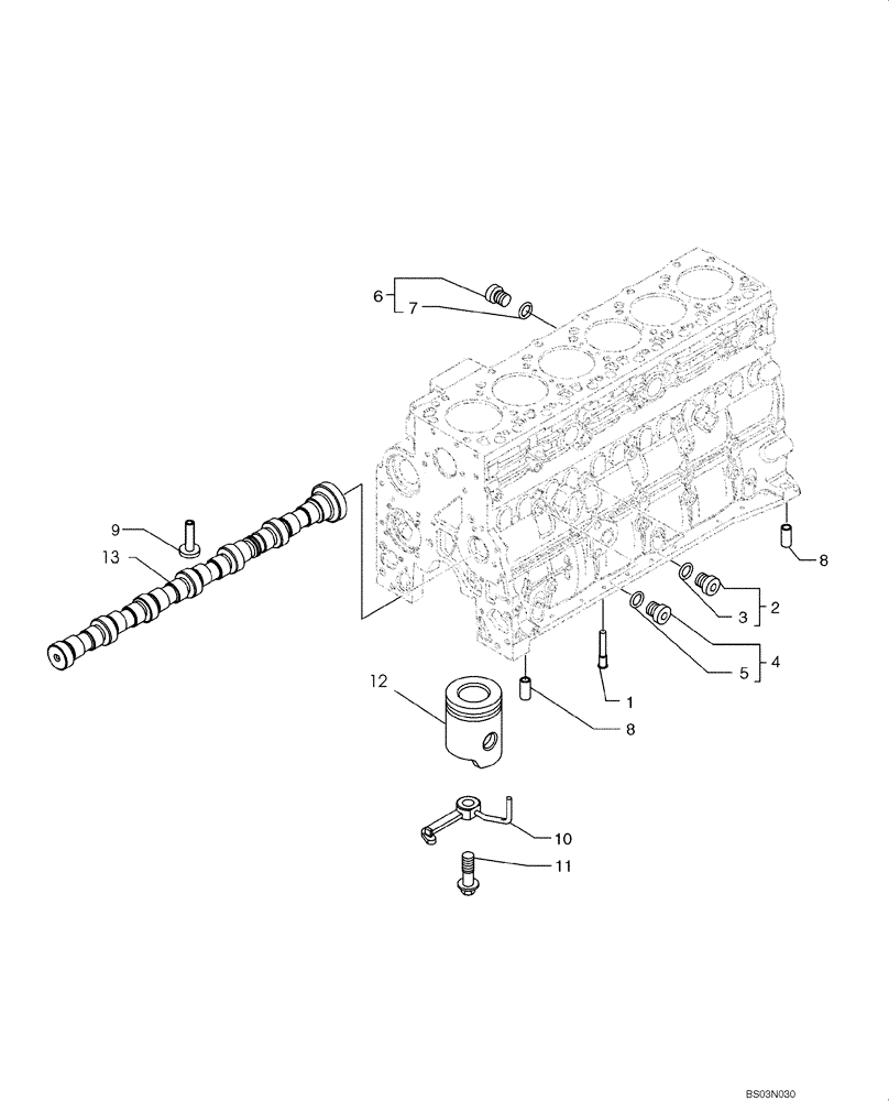
1

4896153

PLUG

6шт.

2

4895605

HEX SOCKET PLUG,M14 x 1.5

- Assy

2шт.

3

4899115

O-RING,2.2mm Thk x 11.3mm ID

1шт.

4

4899009

PLUG,M10 x1

2шт.

5

4899072

O-RING,1.6mm Thk x 8.1mm ID

1шт.

6

4895392

HEX SOCKET PLUG,M18 x 1.5

- Assy

2шт.

7

4895393

O-RING,2.2mm Thk x 15.3mm ID

1шт.

8

4895049

DOWEL,M16.05 x 10

2шт.

9

4891226

TAPPET

12шт.

10

2852202

NOZZLE, PISTON COOLI

6шт.

11

4894218

SCREW,Special, M8 x 20

6шт.

12

REF

INSTRUCTION

Piston; See Figure 02-40

1шт.

13

REF

INSTRUCTION

Camshaft; See Figure 02-35

1шт.

Выбрано товаров: 13