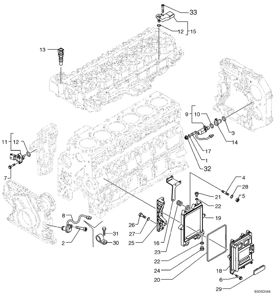
Запчасти Case 721D (03-07) - FUEL INJECTION SYSTEM - MODULE, ENGINE CONTROL (03) - FUEL SYSTEM

Схема запчастей Case 721D - (03-07) - FUEL INJECTION SYSTEM - MODULE, ENGINE CONTROL (03) - FUEL SYSTEM
9
31
17
4
18
12
22
11
33
3
19
16
27
21
20
14
8
24
2
15
32
26
1
10
5
6
23
25
12
22
7
13
30
29
28
FIT
1:1
100%

Артикул

Название

Примечание

Количество

1

4899124

WASHER

2шт.

2

4899068

BOLT,Flng, M8 x 1.25 x 16mm

M6X1X20

1шт.

3

2852817

O-RING,1.7mm Thk x 23.5mm ID

M23.52 ID x 1.78 Thk

1шт.

4

2852826

STUD

3шт.

5

2852197

FLANGE NUT,M6 x 1

3шт.

6

2852818

SCREW,Hex, M6 x 1 x 30mm

M6X30

5шт.

7

4899110

SCREW,Hex Flg, M6 x 1 x 20

4шт.

8

4890189

SENSOR

Speed

1шт.

9

4890190

SENSOR

1шт.

10

2852820

O-RING,0.07" Thk x 0.676" ID, 17, Cl 7, 75 Duro

17.17X1.78MM

1шт.

11

4890193

SENSOR

Oil Pressure & Temp.

1шт.

12

4895477

O-RING,2.62mm Thk x 13.94mm ID

1шт.

13

4897224

SENSOR

Temperature

1шт.

14

4892255

HOUSING

Sensor

1шт.

15

2852821

SENSOR

ECM; Boost/Air Temperature

1шт.

16

2852824

BRACKET

1шт.

17

4895157

STUD

1шт.

18

4898111

ECU

1шт.

4898111R

REMAN ELECT CONTROL

721D (1/03-)

1шт.

4898111C

CORE-ELECTRONIC CONT

Return Number

1шт.

19

4897682

COOLER

1шт.

20

4896811

GASKET

1шт.

21

4896542

HYD CONNECTOR,M12 x 1.5 ORB x 6 ORFS

M12 x 1.5

1шт.

22

4891385

SEALING WASHER,12.2mm ID x 15.4mm OD x 1.5mm Thk

2шт.

23

4899791

ISOLATOR

3шт.

24

4890964

FITTING,M12 x 1.5

Quick Disconnect

1шт.

25

4897685

SUPPORT

1шт.

26

2852822

SCREW

M6 x 25

3шт.

27

2852823

SPRING WASHER

M6 x 11.8

3шт.

28

2852827

WASHER

M6 x 12 x 1.6

3шт.

29

2852825

PLUG,100mm x 40mm L

Rubber

1шт.

30

2852819

CLAMP

1шт.

31

4899082

HEX SOC SCREW,M6 x 20mm

1шт.

32

2852484

FLANGE NUT,Hex, M6 x 1

M6

1шт.

33

4895817

BOLT,Flng, M6 x 1 x 20mm, Cl 10.9

1шт.

Выбрано товаров: 35