Качественные детали и логистика
Оригинальные и аналоговые запчасти с доставкой по России, Казахстану и Беларуси
©2022 PartSell ООО "Система" ИНН 2463123282 ОГРН 1212400004838
Центральный офис: г. Красноярск, Академика Киренского, д.87, пом.4
Телефон: 8 (800) 777-65-74 Email: zakaz@partsell.ru
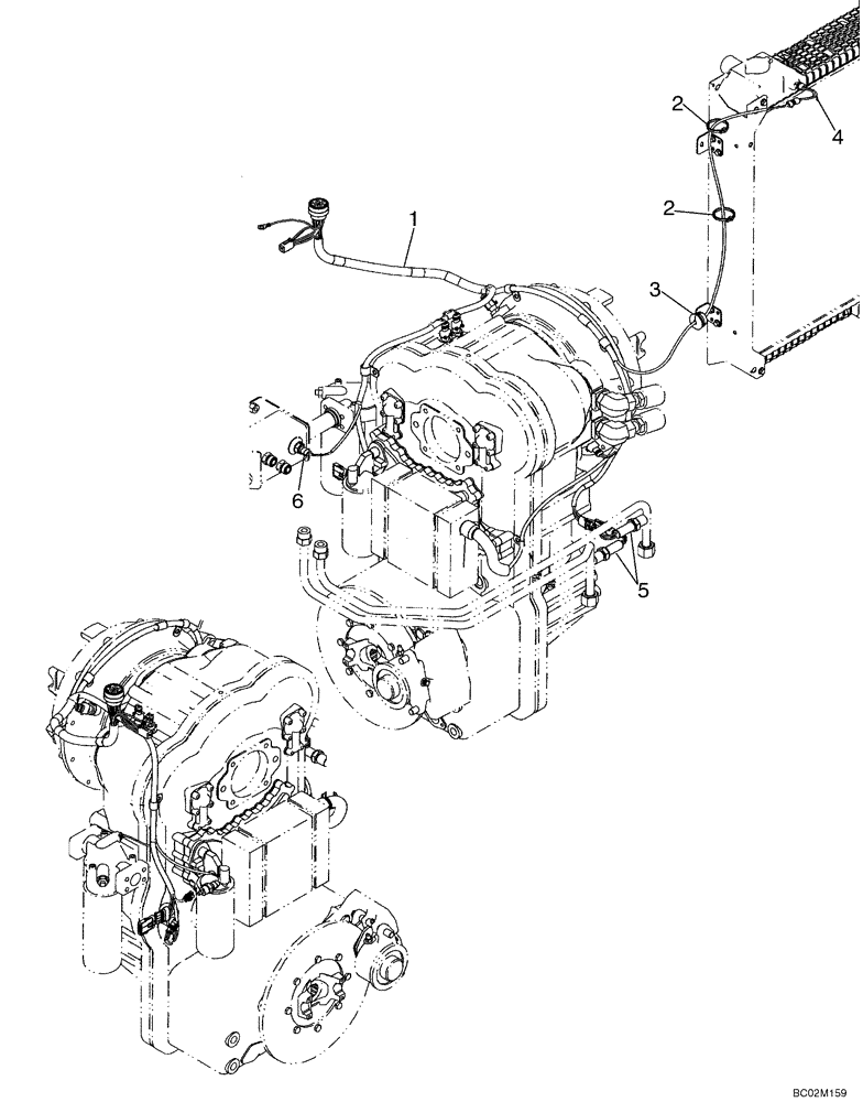
(04-12) - HARNESS - TRANSMISSION
№
Артикул
Название
Примечание
Количество
1
8602682
WIRE HARNESS
Transmission; Use Existing Hardware
1шт.
2
L18331
CABLE TIE,375.9mm L, Nylon, Black
CABLE STRAP 15"
2шт.
3
198823C1
GROMMET,9.53mm ID x 41.1mm OD x 26.9mm Thk
4
445786A1
5
377899A1
SWITCH
Redundant Brake
6
321446A1
SENSOR
Engine Coolant
Выбрано товаров: 0