Запчасти Case 1221E (04-03[01]) - HARNESS - REAR FRAME (87700431) (04) - ELECTRICAL SYSTEMS

Схема запчастей Case 1221E - (04-03[01]) - HARNESS - REAR FRAME (87700431) (04) - ELECTRICAL SYSTEMS
21
21
22
27
18
20
9-2
18
24
02-07
17
19
19
23
19
16
10
02-07
19
13
19
14
20
19
5
11
7
15
27
3
09-02
12
19
25
19
08-01
24
9-1
19
25
4
FIT
1:1
100%

Артикул

Название

Примечание

Количество

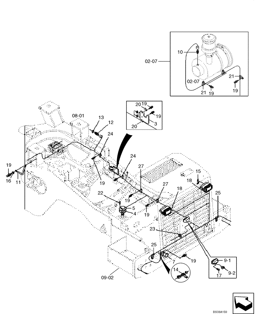
1

21LH-50100

HARNESS

FRAME

1шт.

2

87578654

TAIL LAMP

2шт.

3

21LH-34170

PLATE

PRIOR TO P.I.N. 10124

1шт.

3

21LH-30171

PLATE

P.I.N. 10124 AND AFTER

1шт.

4

E128-1053

GASKET

1шт.

5

21LH-00180

SENDER UNIT

FUEL

1шт.

7

21N6-20322

BUZZER

TRAVEL ALARM

1шт.

9

21LB-34250

LAMP

SUB ASSY

1шт.

9-1

21EK-10160

LAMP

NUMBER PLATE

1шт.

9-2

21LB-34260

HARNESS

EXT

1шт.

9-3

21EK-10260

BULB

1шт.

10

11FG-20110

SENSOR

AIR CLEARNER

1шт.

11

21L8-30720

GROUND STRAP

1шт.

12

21EN-40100

TEMPERATURE SENDER

1шт.

13

21EA-50260

PACKING

TEMP SW

1шт.

14

25D1-10640

CLIP

ASSY, LH

1шт.

15

25D1-10650

CLIP

ASSY, RH

1шт.

16

S431-100002

LOCK WASHER

INTERNAL T/LOCK

4шт.

17

S151-040152

SCREW

TAPPING

2шт.

18

21N6-20211

WORK LAMP

ASSY

2шт.

19

627-10020

BOLT,Hex, M10 x 1.5 x 20mm, Cl 10.9, Full Thd

22шт.

19-1

896-11010

WASHER,11mm ID x 21mm OD x 2.5mm Thk

22шт.

19-2

892-11010

LOCK WASHER,M10

22шт.

20

515-23159

CLAMP,5/8", Insul, 3/8" Bolt

6шт.

21

S593-000702

CLIP

HARNESS

3шт.

22

S161-050152

SCREW

RD HD

5шт.

23

L11541

CABLE TIE,203.2mm L, Nylon

CABLE STRAP 7 - 8 INCH

15шт.

24

515-24206

CLAMP,13/16", Insul, 7/16" Bolt

4шт.

25

S593-000652

CLIP

HARNESS

2шт.

27

31L6-02470

CLAMP

3шт.

Выбрано товаров: 30