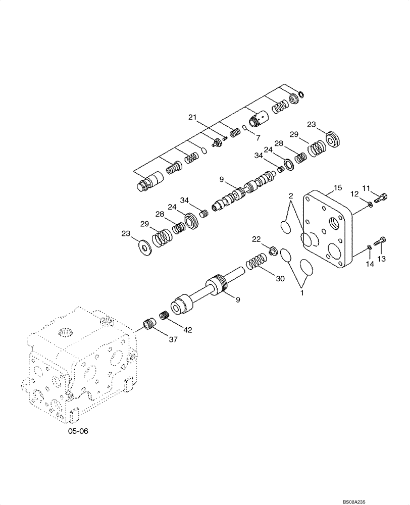
Запчасти Case 1221E (05-07[01]) - STEERING FLOW AMPLIFIER (B) (87700405) (05) - STEERING

Схема запчастей Case 1221E - (05-07[01]) - STEERING FLOW AMPLIFIER (B) (87700405) (05) - STEERING
15
24
23
34
24
14
29
7
34
23
30
37
28
22
11
9
29
21
12
05-06
13
2
9
1
28
42
FIT
1:1
100%

Артикул

Название

Примечание

Количество

1

YUBS-00020

O-RING

2шт.

2

YUBS-00021

O-RING

2шт.

7

YUBS-00025

WASHER

1шт.

11

YUBS-00029

SCREW

1шт.

12

YUBS-00030

WASHER

SPRING

1шт.

13

YUBS-00031

SCREW

8шт.

14

YUBS-00032

WASHER

SPRING

8шт.

15

YUBS-00046

COVER

SPRING

1шт.

21

YUBS-00036

VALVE

SHOCK, SUCTION

1шт.

22

YUBS-00047

STOP

1шт.

23

YUBS-00048

STOP

2шт.

24

YUBS-00049

GUIDE

SPRING

2шт.

28

YUBS-00050

SPRING

2шт.

29

YUBS-00051

SPRING

2шт.

30

YUBS-00052

SPRING

1шт.

34

YUBS-00053

BATTERY

ORIFICE

2шт.

37

YUBS-00054

PLUG

1шт.

42

YUBS-00055

BATTERY

ORIFICE

2шт.

43

YUBS-00045

SEAL KIT

Include(s) 1-8

1шт.

Выбрано товаров: 0