Запчасти Case 1221E (06-18[01]) - TRANSMISSION - SENSORS (11LH-01100) (17) (06) - POWER TRAIN

Схема запчастей Case 1221E - (06-18[01]) - TRANSMISSION - SENSORS (11LH-01100) (17) (06) - POWER TRAIN
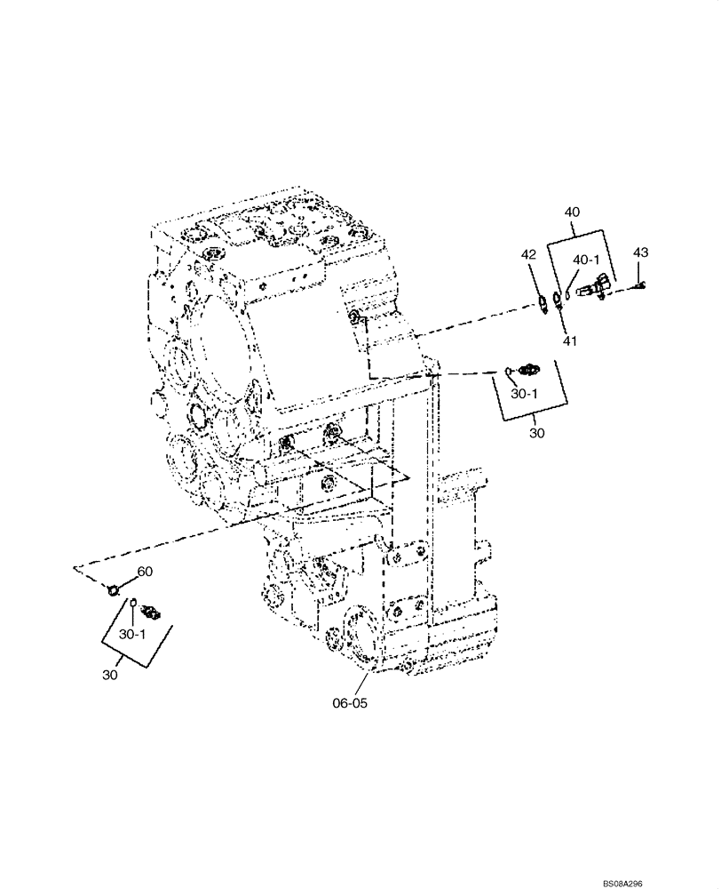
43
30-1
06-05
30
40-1
30-1
41
60
40
42
30
FIT
1:1
100%

Артикул

Название

Примечание

Количество

30

8603397

SENSOR

INDUCTIVE COMPLETE TRANSMITTING

3шт.

30-1

8603216

O-RING,2mm Thk x 15mm ID

15 x 2

3шт.

40

8603398

SENSOR

Speed, Output

1шт.

40-1

1493537

O-RING

O-RING

1шт.

41

335604A1

SHIM

3шт.

42

335604A1

SHIM

1шт.

43

8900126966

SCREW,M8 x 16mm

M16 x 16

1шт.

60

76032621

SHIM

1.50

1шт.

60

S300498

SHIM,1.4mm Thk

1шт.

60

S300499

SHIM,1.2mm Thk

1шт.

60

76032624

SHIM

1.00

1шт.

60

S300501

SHIM,2mm Thk

1шт.

60

76032626

SHIM

0.50

1шт.

60

76032627

SHIM

0.30

1шт.

60

76032628

SHIM

0.20

1шт.

60

S300505

BLOCK

1.60

1шт.

60

76032630

SHIM

1.80

1шт.

Выбрано товаров: 17