Запчасти Case 521E (06-01) - MOUNTING - TRANSMISSION - TRANSMISSION FILL TUBE (06) - POWER TRAIN

Схема запчастей Case 521E - (06-01) - MOUNTING - TRANSMISSION - TRANSMISSION FILL TUBE (06) - POWER TRAIN
15
11
8
9
18
12
12
12
10
10
8
10
14
11
11
5
16
7
2
17
18
6
3
4
1
13
FIT
1:1
100%

Артикул

Название

Примечание

Количество

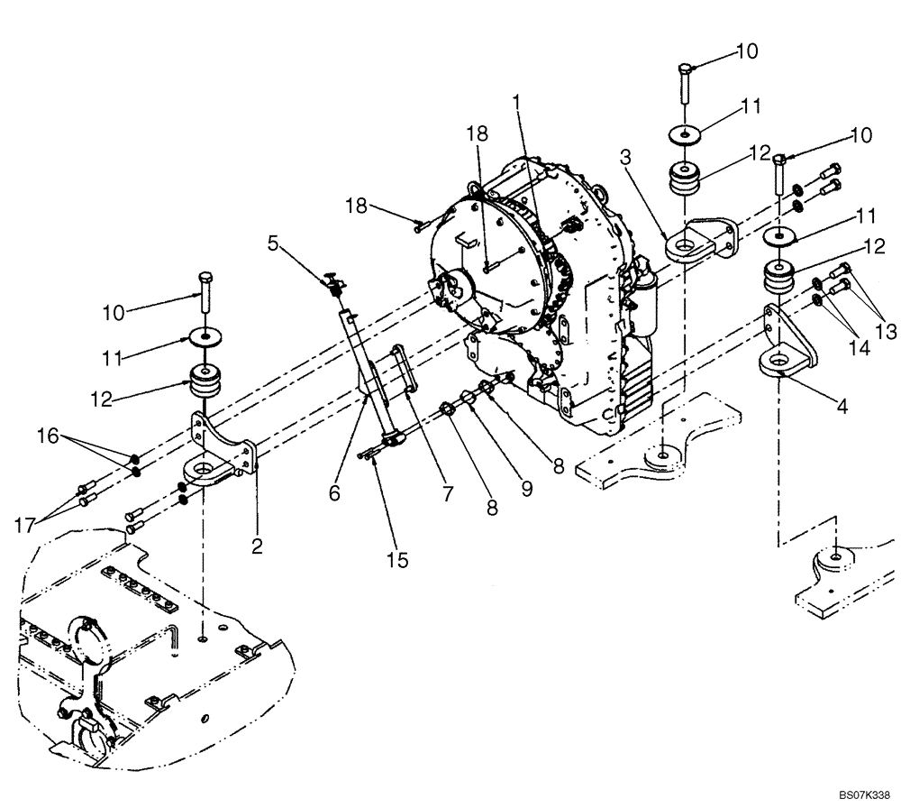
1

87693196

TRANSMISSION

See Figures 06-03 - 06-20

1шт.

1

87693196R

REMAN-TRANSMISSION

Remanufactured, 4WD

1шт.

1

87693196C

CORE-TRANSMISSION

Return Number, 4WD

1шт.

2

357661A1

BRACKET

Transmission Mount Top

1шт.

3

357657A1

BRACKET

Transmission Mount Left

1шт.

4

357654A1

BRACKET

Transmission Mount Right

1шт.

5

443565A1

CAP

Transmission Fill

1шт.

6

386349A1

TUBE

Transmission Fill

1шт.

7

86988366

SIGHTGLASS

Transmission Oil Level

1шт.

8

8603281

GASKET

2шт.

9

E135229

FILTER SCREEN

Transmission Oil

1шт.

10

827-22120

BOLT,Hex, M22 x 2.5 x 120mm, Cl 10.9

3шт.

11

379611A1

WASHER

3шт.

12

361187A1

ISOLATOR

3шт.

13

627-20050

BOLT,Hex, M20 x 2.5 x 50mm, Cl 10.9, Full Thd

4шт.

14

896-11016

WASHER,17.5mm ID x 30mm OD x 4mm Thk

4шт.

15

827-8050

BOLT,Hex, M8 x 1.25 x 50mm, Cl 10.9

2шт.

16

896-11016

WASHER,17.5mm ID x 30mm OD x 4mm Thk

4шт.

17

627-16045

BOLT,Hex, M16 x 2 x 45mm, Cl 10.9, Full Thd

4шт.

18

827-10050

BOLT,Hex, M10 x 1.5 x 50mm, Cl 10.9

2шт.

Выбрано товаров: 20