Запчасти Case 521E (07-01) - BRAKE, PARKING, BEFORE SERIAL NUMBER N9F208006 (07) - BRAKES

Схема запчастей Case 521E - (07-01) - BRAKE, PARKING, BEFORE SERIAL NUMBER N9F208006 (07) - BRAKES
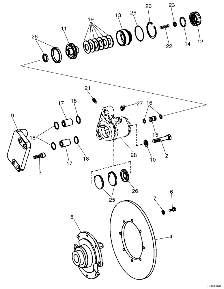
2
14
17
12
21
15
9
17
18
19
26
23
26
13
5
18
18
26
11
16
27
28
22
3
20
10
25
4
7
6
FIT
1:1
100%

Артикул

Название

Примечание

Количество

87693196

TRANSMISSION

Incl. Figures 06-03 - 06-20; Incl. Refs. 2 - 28

1шт.

2

8603649

BOLT,Hex, M16 x 85mm

M16 x 85

2шт.

3

8603652

STUD

4шт.

4

8603328

BRAKE DISC

1шт.

5

8603651

YOKE

Output

1шт.

6

626-10025

BOLT,Hex, M10 x 1.5 x 25mm, Cl 10.9, Full Thd

8шт.

7

895-11010

WASHER,11mm ID x 20mm OD x 2mm Thk

8шт.

9

8603653

PLATE

1шт.

10

8603650

WASHER

1шт.

8603630

PARKING BRAKE

Incl. Refs. 11 - 26, 28

1шт.

8603630R

REMAN-BRAKE ASSY.

521E, w/ Tier 3 Engine

1шт.

8603630C

CORE-BRAKE ASSY.

Return Number

1шт.

11

8603699

PISTON

1шт.

12

8603700

CAP

1шт.

13

8603701

RING

Pressure

1шт.

14

8603347

O-RING

1шт.

15

8603702

PIN

Pressure

1шт.

16

8603703

O-RING

2шт.

17

8603704

BUSHING

2шт.

18

8603705

O-RING

4шт.

19

8603706

SPRING

6шт.

20

8603707

RING

Retaining

1шт.

21

8603348

BREATHER

1шт.

22

8603708

ADJUSTMENT SCREW,Hex, M18 x 70mm, Cl 8.8

1шт.

23

8603709

NUT

Hex

1шт.

24

8603710

PLUG

Not Illustrated

1шт.

25

8603631

BRAKE PAD

1шт.

26

8603711

SEAL KIT

Brake

1шт.

27

8603542

SLEEVE

1шт.

28

NSS

NOT SOLD SEPARAT

BRAKE CALIPER

1шт.

Выбрано товаров: 30