Запчасти Case 521E (02-03) - COOLER, CHARGE AIR (02) - ENGINE

Схема запчастей Case 521E - (02-03) - COOLER, CHARGE AIR (02) - ENGINE
02-04
4
4
10
8
6
9
2
4
1
5
12
13
11
7
3
FIT
1:1
100%

Артикул

Название

Примечание

Количество

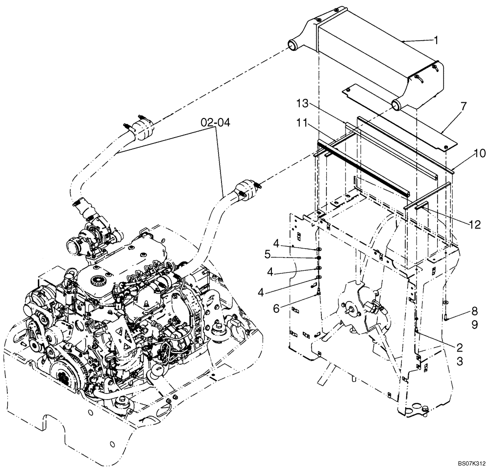
1

399860A1

AFTERCOOLER

Charge Air

1шт.

2

892-11008

LOCK WASHER,8mm ID

2шт.

3

614-8016

BOLT,Hex, M8 x 1.25 x 16mm, Cl 8.8, Full Thd

2шт.

4

895-15010

WASHER,11mm ID x 24mm OD x 2mm Thk

6шт.

5

386040R1

SPRING

2шт.

6

561-703

HEX SOC SCREW,M8 x 32.4, 10 x 16mm shldr, Cl 12.9

2шт.

7

86984649

PLATE

Cooling Frame

1шт.

8

895-25008

WASHER,9mm ID x 24mm OD x 2mm Thk

2шт.

9

627-8025

BOLT,Hex, M8 x 1.25 x 25mm, Cl 10.9, Full Thd

2шт.

10

381938A1

SEAL

Cooling Frame, Radiator Side

1шт.

11

86983215

SEAL

Charge Air

2шт.

12

86984661

FOAM

Cover Plate

2шт.

13

381934A1

SEAL

Charge Air

2шт.

Выбрано товаров: 13