Запчасти Case 521E (09-29) - FRAME, REAR (09) - CHASSIS

Схема запчастей Case 521E - (09-29) - FRAME, REAR (09) - CHASSIS
2
5
10
8
1
5
7
9
4
3
6
FIT
1:1
100%

Артикул

Название

Примечание

Количество

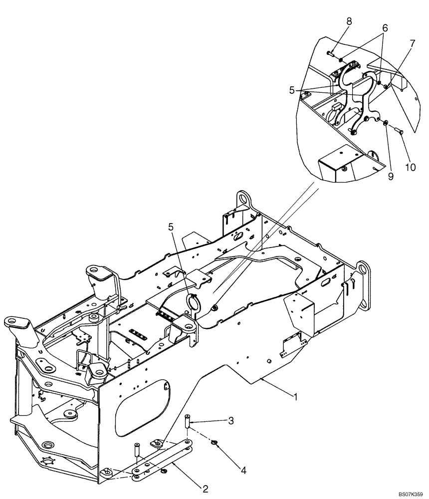
1

84173642

FRAME

FRAME, Rear; Replaces 87724824, 84144206

1шт.

2

412067A1

LOCKING BAR

Articulation

1шт.

3

126268A1

PIN,31.8mm OD x 108mm L

Articulation Lock

2шт.

4

A30338

PIN

Klik

2шт.

5

8605687

GUARD

Drive Shaft

2шт.

6

896-11010

WASHER,11mm ID x 21mm OD x 2.5mm Thk

2шт.

7

832-10410

NUT,M10 x 1.5, Cl 8

1шт.

8

627-10035

BOLT,Hex, M10 x 1.5 x 35mm, Cl 10.9, Full Thd

1шт.

9

896-15012

WASHER,13.5mm ID x 28mm OD x 4mm Thk

3шт.

10

627-12040

BOLT,Hex, M12 x 1.75 x 40mm, Cl 10.9, Full Thd

3шт.

Выбрано товаров: 10