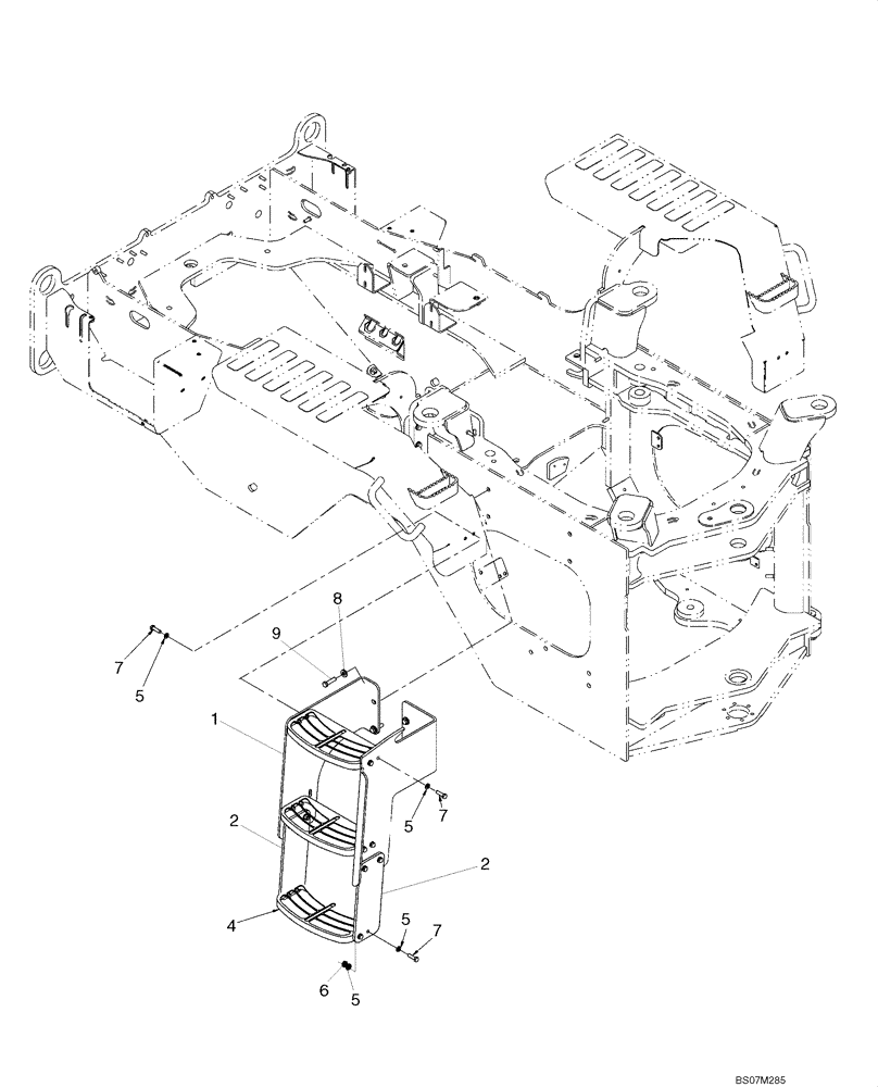
Запчасти Case 521E (09-44) - STEPS - RIGHT (09) - CHASSIS

Схема запчастей Case 521E - (09-44) - STEPS - RIGHT (09) - CHASSIS
7
9
8
7
2
7
4
6
2
1
5
5
5
5
FIT
1:1
100%

Артикул

Название

Примечание

Количество

1

87610939

BRACKET

SUPPORT, RH Step Support, Serial Range: -NAF208471

1шт.

1

84191119

BRACKET

Support RH Step Support, Start Serial: NAF208471

1шт.

2

87559798

STRAP

2шт.

3

87609421

BRACKET

BRACKET, SUPPORT, RH Step

1шт.

4

87434472

STEP

3шт.

5

895-11010

WASHER,11mm ID x 20mm OD x 2mm Thk

32шт.

6

832-10410

NUT,M10 x 1.5, Cl 8

16шт.

7

627-10035

BOLT,Hex, M10 x 1.5 x 35mm, Cl 10.9, Full Thd

16шт.

8

896-15012

WASHER,13.5mm ID x 28mm OD x 4mm Thk

4шт.

9

627-12045

BOLT,Hex, M12 x 1.75 x 45mm, Cl 10.9, Full Thd

4шт.

Выбрано товаров: 10