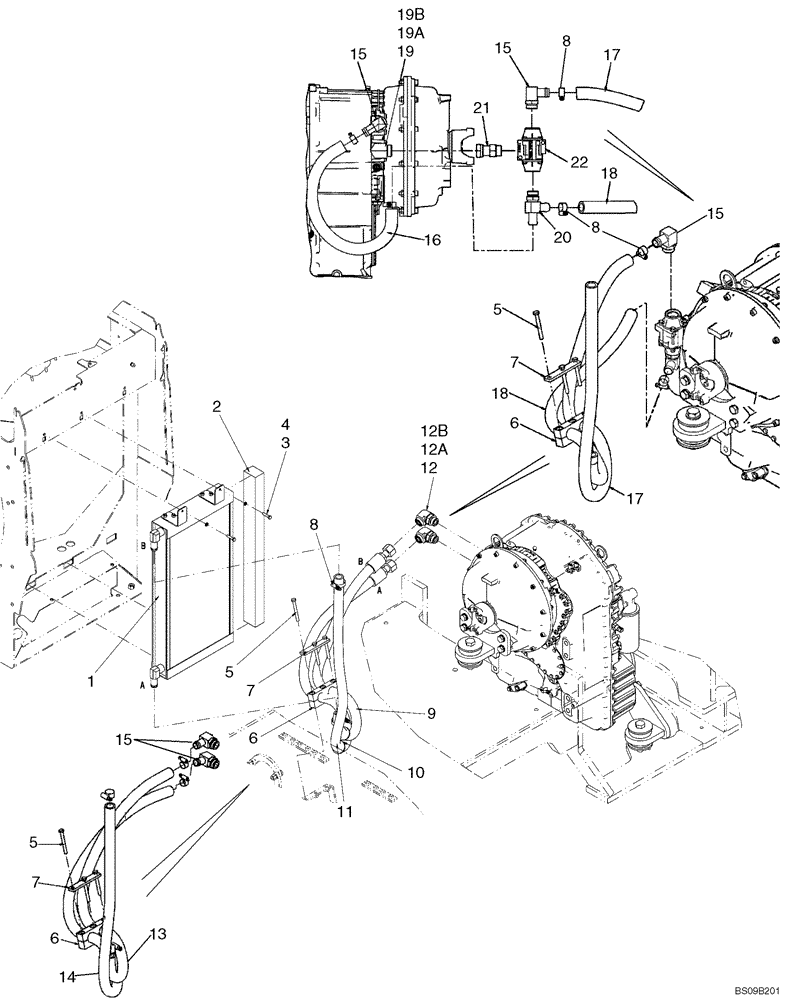
Запчасти Case 621E (06-02) - HYDRAULICS - TRANSMISSION (06) - POWER TRAIN

Схема запчастей Case 621E - (06-02) - HYDRAULICS - TRANSMISSION (06) - POWER TRAIN
15
10
15
7
12a
18
1
22
4
6
16
2
12
8
5
11
13
17
12b
9
14
3
5
21
6
6
7
5
7
8
19a
15
19
18
15
8
20
19b
17
FIT
1:1
100%

Артикул

Название

Примечание

Количество

1

8501295

OIL COOLER

Transmission; Standard Models

1шт.

1

87740230

COOLER

COOLER, OIL, Transmission; Commodity King Models

1шт.

2

8500206

SEALING STRIP,65mm W x 734mm L x 50mm Thk

Transmission Oil Cooler; If Used

1шт.

3

892-11008

LOCK WASHER,8mm ID

2шт.

4

627-8035

BOLT,Hex, M8 x 1.25 x 35mm, Cl 10.9, Full Thd

2шт.

5

827-10090

BOLT,Hex, M10 x 1.5 x 90mm, Cl 10.9

3шт.

6

8500576

CLAMP

1шт.

7

8500583

PLATE

1шт.

8

87482165

HOSE CLAMP,1" - 1.75", Worm Gear

Replaces 353036A1 Clamp Used On Some Models

2-6шт.

9

87578052

HYDRAULIC HOSE,25.40 mm ID x 1490.00 mm

Cooler to Transmission, If Used

1шт.

10

248-1185

GROMMET,1 1/2" ID x 1 3/4" Groove Dia

2шт.

11

87578053

HYDRAULIC HOSE,25.40 mm ID x 2260.00 mm

Transmission to Cooler, If Used

1шт.

12

201-308

ELBOW,90 Degree Elbow, 1-7/16" - 12 Male ORFS x 1-5/16" - 12 Male ORB

Incl. Refs. 12A, 12B; If Used

2шт.

12a

237-6016

O-RING,0.116" Thk x 1.171" ID, -916, Cl 6, 90 Duro

Boss Seal

1шт.

12b

238-6021

O-RING,15/16 X 1 - 1/16, Cl 6

Face Seal

1шт.

13

84178889

HOSE,25.40 mm ID x 1550.00 mm

Cooler to Transmission

1шт.

14

84178890

HOSE,25.40 mm ID x 2320.00 mm

Transmission to Cooler

1шт.

15

87393628

ADAPTER,1" Hose Barb x 1-5/16" - 12 ORB

90 deg; If Used

2шт.

16

84195584

HOSE

HOSE, Transmission to Valve, 650 mm (25 - 19/32 in); If Used

1шт.

17

84195582

HOSE,25.4mm ID x 2100mm L

HOSE, Valve to Cooler, 2100 mm (82 - 43/64 in); If Used

1шт.

18

84195583

HOSE

HOSE, Cooler to Valve, 1350 mm (53 - 5/32 in); If Used

1шт.

19

201-308

ELBOW,90 Degree Elbow, 1-7/16" - 12 Male ORFS x 1-5/16" - 12 Male ORB

Incl. Refs. 19A, 19B; If Used

1шт.

19a

237-6016

O-RING,0.116" Thk x 1.171" ID, -916, Cl 6, 90 Duro

Boss Seal

1шт.

19b

238-6021

O-RING,15/16 X 1 - 1/16, Cl 6

Face Seal

1шт.

20

235067A1

TEE

W/ Hose Barbs; If Used

1шт.

21

87672177

HYD CONNECTOR

CONNECTOR; If Used

1шт.

22

84138750

VALVE

VALVE, Thermal Bypass; If Used

1шт.

Выбрано товаров: 0