Запчасти Case 621E (06-15) - TRANSMISSION - POWER TAKE OFF - PRIOR TO P.I.N. N8F203848 (06) - POWER TRAIN

Схема запчастей Case 621E - (06-15) - TRANSMISSION - POWER TAKE OFF - PRIOR TO P.I.N. N8F203848 (06) - POWER TRAIN
10
6
3
1
4
8
2
9
5
7
FIT
1:1
100%

Артикул

Название

Примечание

Количество

87572394

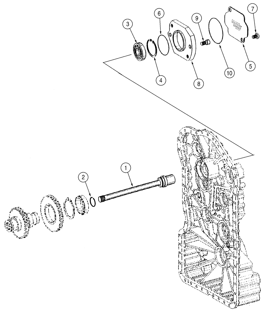
TRANSMISSION

See Figures 06-03 - 06-20, 07-01; Incl. Refs. 1 - 10; Prior To P.I.N. N8F203848

1шт.

1

8603655

SHAFT

Pump

1шт.

2

8603352

SNAP RING

1шт.

3

8603353

BALL BEARING

1шт.

4

8603354

CIRCLIP

1шт.

5

8603656

COVER PLATE

1шт.

6

8603527

O-RING

1шт.

7

8603274

SCREW,Hex

2шт.

8

8603657

FLANGE

1шт.

9

8603658

SCREW,M16 x 30mm

M16 x 30

2шт.

10

8603355

O-RING,3mm Thk x 104mm ID

1шт.

Выбрано товаров: 11