Запчасти Case 621E (06-32) - TRANSMISSION - SHAFT, OUTPUT - P.I.N. N8F203848 AND AFTER (06) - POWER TRAIN

Схема запчастей Case 621E - (06-32) - TRANSMISSION - SHAFT, OUTPUT - P.I.N. N8F203848 AND AFTER (06) - POWER TRAIN
3
7
6
2
1
6
8
2
3
7
8
4
5
FIT
1:1
100%

Артикул

Название

Примечание

Количество

87707540

TRANSMISSION

See Figures 06-21 - 06-38, 07-01; Incl. Refs. 1 - 8; P.I.N. N8F203848 And After

1шт.

87707540R

REMAN-TRANSMISSION

621E TIER 3 SHAFT, OUTPUT P.I.N. N8F203848 AND AFTER, TRANSMISSION P.I.N. N8F203848 (8/07-)

1шт.

87707540C

CORE-TRANSMISSION

Return Number

1шт.

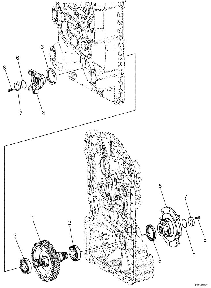
1

87712664

SHAFT

Output

1шт.

2

8603301

ROLLER BEARING,60mm ID x 95mm OD x 27mm W

2шт.

3

8603223

SEAL

2шт.

4

8603326

FLANGE

Output; Rear

1шт.

5

8603327

FLANGE

Output; For Parking Brake Assembly, See Figure 07-01

1шт.

6

8603219

O-RING,4mm Thk x 38mm ID

2шт.

7

8603220

WASHER

2шт.

8

8603325

BOLT,Hex, M8 x 25mm

8 x 25

4шт.

Выбрано товаров: 11