Запчасти Case 621E (06-33) - TRANSMISSION - POWER TAKE OFF - P.I.N. N8F203848 AND AFTER (06) - POWER TRAIN

Схема запчастей Case 621E - (06-33) - TRANSMISSION - POWER TAKE OFF - P.I.N. N8F203848 AND AFTER (06) - POWER TRAIN
3
6
5
4
2
1
7
FIT
1:1
100%

Артикул

Название

Примечание

Количество

87707540

TRANSMISSION

See Figures 06-21 - 06-38, 07-01; Incl. Refs. 1 - 7; P.I.N. N8F203848 And After

1шт.

87707540R

REMAN-TRANSMISSION

621E TIER 3 POWER TAKE OFF P.I.N. N8F203848 AND AFTER, TRANSMISSION P.I.N. N8F203848 (8/07-)

1шт.

87707540C

CORE-TRANSMISSION

Return Number

1шт.

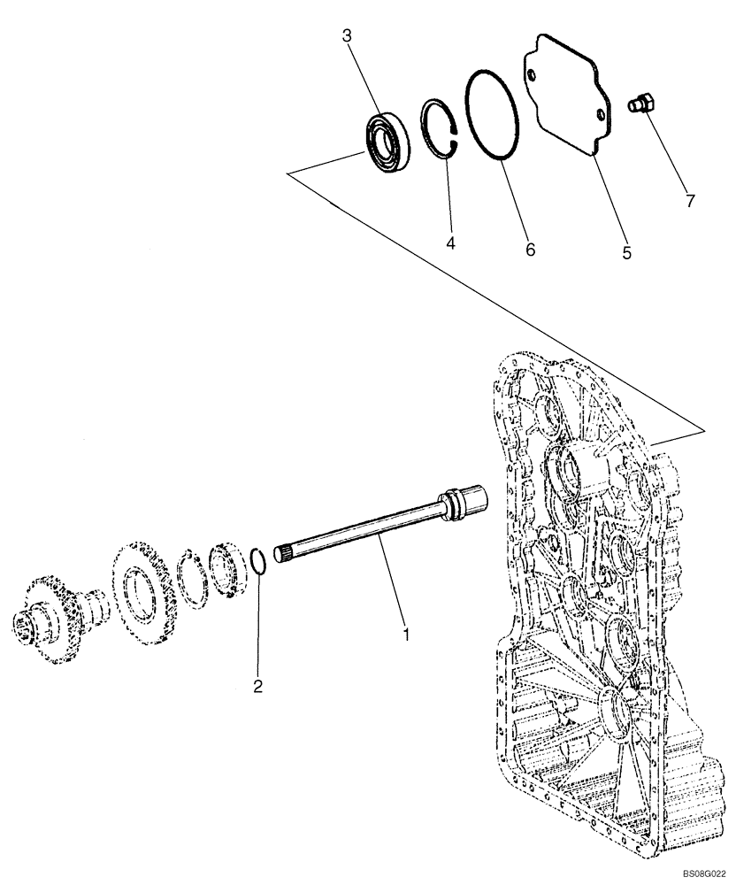
1

8603655

SHAFT

Pump

1шт.

2

8603352

SNAP RING

1шт.

3

8603353

BALL BEARING

1шт.

4

8603354

CIRCLIP

1шт.

5

8603656

COVER PLATE

1шт.

6

8603527

O-RING

1шт.

7

8603274

SCREW,Hex

2шт.

Выбрано товаров: 10