Запчасти Case 621E (06-40) - AXLE, FRONT - MOUNTING (06) - POWER TRAIN

Схема запчастей Case 621E - (06-40) - AXLE, FRONT - MOUNTING (06) - POWER TRAIN
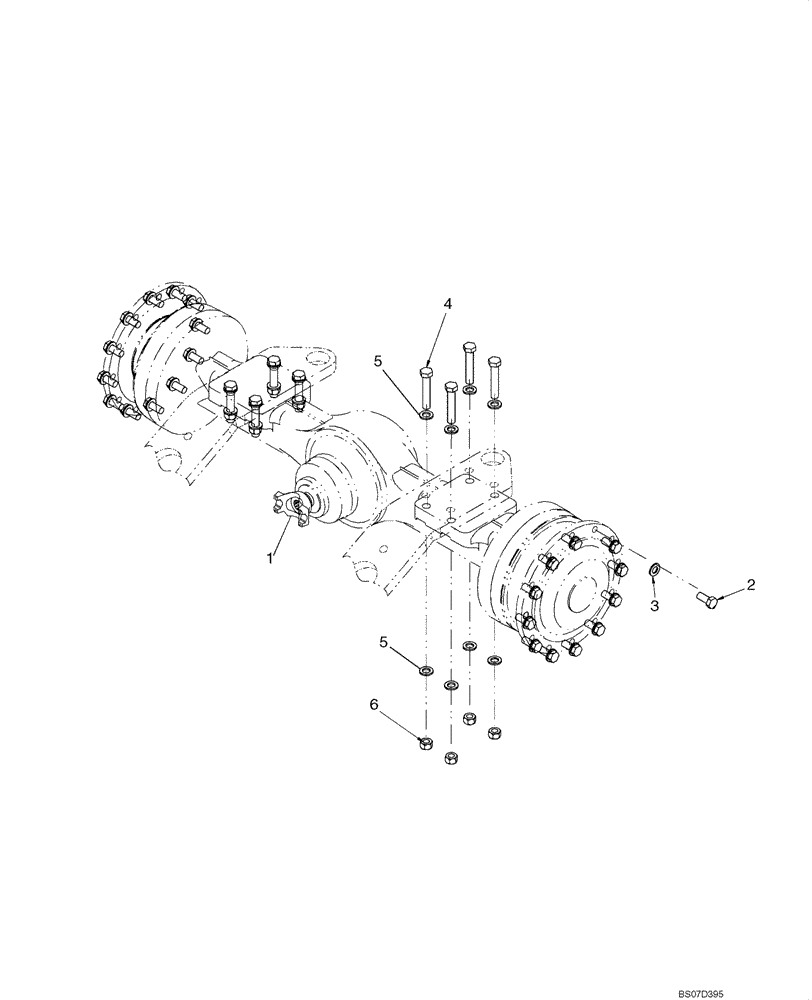
2
5
1
3
4
5
6
FIT
1:1
100%

Артикул

Название

Примечание

Количество

1

87358580

FRONT AXLE

See Figures 06-41 - 06-45; Prior To P.I.N. N8F203848

1шт.

1

87358580R

REMAN-FRT AXLE wo DL

621E Tier 3, Prior To PIN N8F203848

1шт.

1

87358580C

CORE-FRONT AXLE

Return Number

1шт.

1

87550687

AXLE

FRONT, See Figures 06-46 - 06-50; P.I.N. N8F203848 And After

1шт.

1

84392478R

REMAN-FRONT AXLE

FRONT, See Figures 06-46 - 06-50; P.I.N. N8F203848 And After

1шт.

1

84392478C

CORE-FRONT AXLE 4WD

Return Number

1шт.

2

514-1315

BOLT,Hex, M22 x 1.5 x 50mm, Cl 10.9

24шт.

3

896-11022

WASHER,24mm ID x 44mm OD x 4mm Thk

24шт.

4

827-24130

BOLT,Hex, M24 x 3 x 130mm, Cl 10.9

8шт.

5

896-11024

WASHER,26mm ID x 44mm OD x 5mm Thk

16шт.

6

829-1424

NUT,M24, Cl 10

8шт.

Выбрано товаров: 0