Запчасти Case 621E (06-62) - DRIVE SHAFT MOUNTING (06) - POWER TRAIN

Схема запчастей Case 621E - (06-62) - DRIVE SHAFT MOUNTING (06) - POWER TRAIN
26
17
3
18
6
9
7
24
12
8
2019
11
13
14
20
10
23
2
8
11
22
25
11
21
27
15
11
5
7
7
4
16
1
11
7
7
15
FIT
1:1
100%

Артикул

Название

Примечание

Количество

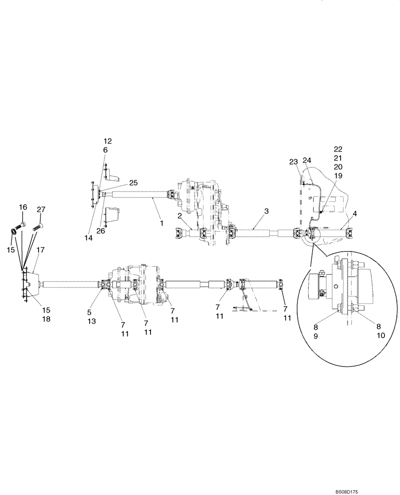
1

87553862

DRIVE SHAFT

Engine; See Figure 06-66

1шт.

2

86990311

DRIVE SHAFT

Rear; See Figure 06-65

1шт.

3

86990312

DRIVE SHAFT

Center; See Figure 06-64

1шт.

4

87553865

DRIVE SHAFT

Front; See Figure 06-63

1шт.

5

D137626

CLAMP,30.175mm D Clamping Pipe

2шт.

6

896-11010

WASHER,11mm ID x 21mm OD x 2.5mm Thk

6шт.

7

L116943

SECURING STRAP

Mounting for U-Joint P/N 8604675

10шт.

8

896-11012

WASHER,13.5mm ID x 24mm OD x 3mm Thk

8шт.

9

827-12060

BOLT,Hex, M12 x 1.75 x 60mm, Cl 10.9

4шт.

10

832-10412

NUT,M12 x 1.75, Cl 8

4шт.

11

19-6247

BOLT,3/8" - 24 x 0.75", Grade 8

20шт.

12

627-10035

BOLT,Hex, M10 x 1.5 x 35mm, Cl 10.9, Full Thd

6шт.

13

D137627

BOLT,Hex Flg, 5/16" - 24 x 19.05mm

4шт.

14

87553867

COUPLING

1шт.

15

896-15010

WASHER,11mm ID x 24mm OD x 3mm Thk

10-18шт.

16

627-10025

BOLT,Hex, M10 x 1.5 x 25mm, Cl 10.9, Full Thd

If Used

8шт.

17

87522101

COVER

1шт.

18

806-10030

BOLT,Hex, M10 x 1.5 x 30mm, Cl 10.9

10шт.

19

896-15012

WASHER,13.5mm ID x 28mm OD x 4mm Thk

1шт.

20

515-2495

CLAMP,3/8", Insul, 7/16" Bolt

1шт.

21

895-11010

WASHER,11mm ID x 20mm OD x 2mm Thk

1шт.

22

832-10410

NUT,M10 x 1.5, Cl 8

1шт.

23

F53473

LOCK NUT,1/8-27 NPSM

1шт.

24

L54694

HOSE,4.8mm ID x 1041mm L

Grease; 1041 mm (41 in); Incl. 24A, 24B

1шт.

24a

219-20

LUBE NIPPLE,1/4" - 28

Not Illustrated

1шт.

24b

219-8

LUBE NIPPLE,1/4" - 28 NPTF

Not Illustrated

1шт.

25

345-49

SEALANT

Pilot Line

1шт.

26

760-14113

SELF-TAP SCREW,Pan Hd, M3.5 x 13

2шт.

27

863-10020

HEX SOC SCREW,M10 x 20mm, Cl 12.9

If Used

8шт.

Выбрано товаров: 0