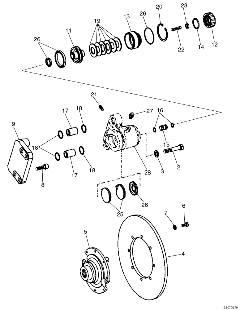
Запчасти Case 621E (07-01) - PARKING BRAKE, BEFORE SERIAL NUMBER N9F206960 (07) - BRAKES

Схема запчастей Case 621E - (07-01) - PARKING BRAKE, BEFORE SERIAL NUMBER N9F206960 (07) - BRAKES
14
19
5
6
3
20
2
13
4
22
23
18
17
18
21
15
26
26
18
9
16
28
17
11
25
26
8
12
27
7
FIT
1:1
100%

Артикул

Название

Примечание

Количество

87572394

TRANSMISSION

See Figures 06-03 - 06-20, 07-01; Incl. Refs. 2 - 28, Serial Range: -N8F203848

1шт.

87707540

TRANSMISSION

See Figures 06-21 - 06-38, 07-08; Incl. Refs. 2 - 28, Start Serial: N8F203848

1шт.

87707540R

REMAN-TRANSMISSION

621E TIER 3 TRANSMISSION P.I.N. N8F203848 (8/07-)

1шт.

87707540C

CORE-TRANSMISSION

Return Number

1шт.

8603630

PARKING BRAKE

Incl. 11 - 26, 28; Includes Caliper Which Is Not Serviced Separately

1шт.

8603630R

REMAN-BRAKE ASSY.

621E, w/ Tier 3 Engine

1шт.

8603630C

CORE-BRAKE ASSY.

Return Number

1шт.

2

8603649

BOLT,Hex, M16 x 85mm

M16 x 85

2шт.

3

8603650

WASHER

2шт.

4

8603328

BRAKE DISC

1шт.

5

8603327

FLANGE

Output

1шт.

6

626-10025

BOLT,Hex, M10 x 1.5 x 25mm, Cl 10.9, Full Thd

8шт.

7

895-11010

WASHER,11mm ID x 20mm OD x 2mm Thk

8шт.

8

8603652

STUD

M14 x 45

4шт.

9

8603653

PLATE

1шт.

10

8603654

SCREW

Not Illustrated

1шт.

11

8603699

PISTON

1шт.

12

8603700

CAP

1шт.

13

8603701

RING

Pressure

1шт.

14

8603347

O-RING

1шт.

15

8603702

PIN

Pressure

1шт.

16

8603703

O-RING

2шт.

17

8603704

BUSHING

2шт.

18

8603705

O-RING

4шт.

19

8603706

SPRING

6шт.

20

8603707

RING

Retaining

1шт.

21

8603348

BREATHER

1шт.

22

8603708

ADJUSTMENT SCREW,Hex, M18 x 70mm, Cl 8.8

1шт.

23

8603709

NUT

1шт.

24

8603710

PLUG

Not Illustrated

1шт.

25

8603631

BRAKE PAD

1шт.

26

8603711

SEAL KIT

Park Brake

1шт.

27

8603542

SLEEVE

1шт.

28

8603630

PARKING BRAKE

BRAKE CALIPER

1шт.

Выбрано товаров: 0