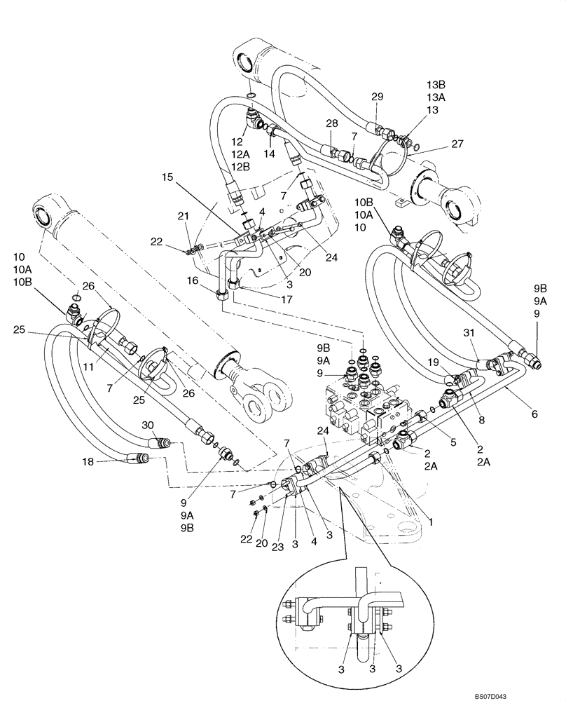
Запчасти Case 621E (08-05) - HYDRAULICS - LOADER LIFT AND BUCKET (Z BAR, XR LOADER) (08) - HYDRAULICS

Схема запчастей Case 621E - (08-05) - HYDRAULICS - LOADER LIFT AND BUCKET (Z BAR, XR LOADER) (08) - HYDRAULICS
8
3
9
12b
13b
21
31
7
24
3
2
10
7
12a
17
25
2a
4
4
18
28
9
22
2a
13a
3
9b
7
10b
9
13
30
12
6
3
14
9a
20
7
3
7
2
10
26
22
10b
25
29
1
19
26
9a
9b
24
16
23
11
20
5
27
9b
10a
9a
3
10a
15
FIT
1:1
100%

Артикул

Название

Примечание

Количество

REF

INSTRUCTION

Z-BAR LOADER, XR LOADER

1шт.

1

87389172

HYD TUBE,19.4 mm ID x 25.40 mm OD x 222, 161.5 mm L

Lift Head End, RH

1шт.

2

87016914

TEE,1 7/16"-12 ORFS

Incl. Ref. 2A

2шт.

2a

238-6021

O-RING,15/16 X 1 - 1/16, Cl 6

Face Seal

3шт.

3

367658A1

PLATE

Clamp Cover

12шт.

4

367489A1

BLOCK

Tube Mounting

6шт.

5

8606100

TUBE,25.40mm OD x 110, 659mm L

Lift Rod End, RH

1шт.

6

8606092

TUBE,22mm ID x 25mm OD x 659mm L

Lift Head End, LH

1шт.

7

238-6021

O-RING,15/16 X 1 - 1/16, Cl 6

9шт.

8

8606098

TUBE,25.40 mm OD x 162, 142 mm L

Lift Rod End, LH

1шт.

9

86639051

HYD CONNECTOR,1-7/16" - 12 ORFS x M27 x 2 ORB

Incl. Refs 9A, 9B

6шт.

9a

238-6021

O-RING,15/16 X 1 - 1/16, Cl 6

Face Seal

1шт.

9b

637-64236

O-RING,2.9mm Thk x 23.6mm ID, Cl 6, 90 Duro

Boss

1шт.

10

87010650

ELBOW,90 Degree, 1 7/16"-12 ORFS x M27 x 2 ORB

Incl. Refs. 10A, 10B

2шт.

10a

238-6021

O-RING,15/16 X 1 - 1/16, Cl 6

Face Seal

1шт.

10b

637-64236

O-RING,2.9mm Thk x 23.6mm ID, Cl 6, 90 Duro

Boss

1шт.

11

86983366

TUBE,25.40 mm OD x 385, 64 mm L

Lift Cylinder

2шт.

12

86580180

90 ELBOW,90 Degree, 1-7/16"-12 ORFS x M33 x 2.0 ORB

Incl. Refs. 12A, 12B

1шт.

12a

637-64296

O-RING,2.9mm Thk x 29.6mm ID, Cl 6, 90 Duro

Boss

1шт.

12b

238-6021

O-RING,15/16 X 1 - 1/16, Cl 6

Face Seal

1шт.

13

86580179

HYD CONNECTOR,1-7/16" - 12 ORFS x M33 x 2 ORB

Incl. Refs. 13A, 13B

1шт.

13a

238-6021

O-RING,15/16 X 1 - 1/16, Cl 6

Face Seal

1шт.

13b

637-64296

O-RING,2.9mm Thk x 29.6mm ID, Cl 6, 90 Duro

Boss

1шт.

14

8605367

TUBE,25.40 mm OD

Tilt Cylinder

1шт.

15

87324906

SPACER

2шт.

16

389049A1

TUBE,25.4 mm OD, 446, 252 mm Length

Tilt Head End

1шт.

17

8605369

TUBE,25.40 mm OD

Tilt Rod End

1шт.

18

372359A1

HOSE ASSY.

Lift Cylinder; 1760 mm (69 - 5/16 in)

1шт.

19

372359A1

HOSE ASSY.

Lift Cylinder; 1760 mm (69 - 5/16 in)

1шт.

20

895-11010

WASHER,11mm ID x 20mm OD x 2mm Thk

20шт.

21

895-15010

WASHER,11mm ID x 24mm OD x 2mm Thk

4шт.

22

832-10410

NUT,M10 x 1.5, Cl 8

12шт.

23

827-10100

BOLT,Hex, M10 x 1.5 x 100mm, Cl 10.9

4шт.

24

827-10110

BOLT,Hex, M10 x 1.5 x 110mm, Cl 10.9

8шт.

25

391133A1

CLAMP

5шт.

26

214-14104

HOSE CLAMP,155.45mm - 177.8mm

Replaces 214-14100 Clamp Used On Some Models

4шт.

27

214-14104

HOSE CLAMP,155.45mm - 177.8mm

1шт.

28

389161A1

HOSE ASSY.

Tilt Cylinder; 1161 mm (45-11/16 in)

1шт.

29

389161A1

HOSE ASSY.

Tilt Cylinder; 1161 mm (45-11/16 in)

1шт.

30

86983386

FLEXIBLE HOSE,19.05mm ID x 1145mm L

Lift Cylinder; 1145 mm (45 - 1/16 in)

1шт.

31

86983386

FLEXIBLE HOSE,19.05mm ID x 1145mm L

Lift Cylinder; 1145 mm (45 - 1/16 in)

1шт.

Выбрано товаров: 41