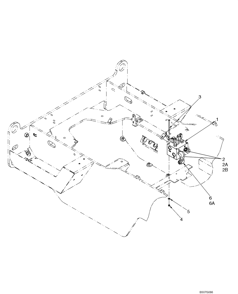
Запчасти Case 621E (08-24) - VALVE, FAN SPEED AND REVERSER - MOUNTING (08) - HYDRAULICS

Схема запчастей Case 621E - (08-24) - VALVE, FAN SPEED AND REVERSER - MOUNTING (08) - HYDRAULICS
3
5
1
6a
2
2b
6
2a
4
FIT
1:1
100%

Артикул

Название

Примечание

Количество

REF

INSTRUCTION

FAN SPEED AND REVERSER

1шт.

1

8500565

HYDRAULIC VALVE

Fan Speed and Reverser; See Figure 08-24A

1шт.

2

700-307

ELBOW,90 Degree Elbow, 1-3/16" - 12 Male ORFS x M27 x 2 Male ORB

Incl. 2A, 2B

2шт.

2a

637-64236

O-RING,2.9mm Thk x 23.6mm ID, Cl 6, 90 Duro

Boss

1шт.

2b

238-6018

O-RING,0.07" Thk x 0.739" ID, -18, Cl 6, 90 Duro

Face Seal

1шт.

3

814-8140

BOLT,Hex, M8 x 1.25 x 140mm, Cl 8.8

3шт.

4

832-10408

NUT,M8 x 1.25, Cl 8.8

3шт.

5

895-15008

WASHER,9mm ID x 20mm OD x 1.6mm Thk

3шт.

6

701-342

ELBOW,90 Degree Elbow, 1-3/16" - 12 Male ORFS x 1-3/16" - 12 Female ORFS

Incl. 6A

1шт.

6a

238-6018

O-RING,0.07" Thk x 0.739" ID, -18, Cl 6, 90 Duro

Face Seal

1шт.

Выбрано товаров: 0