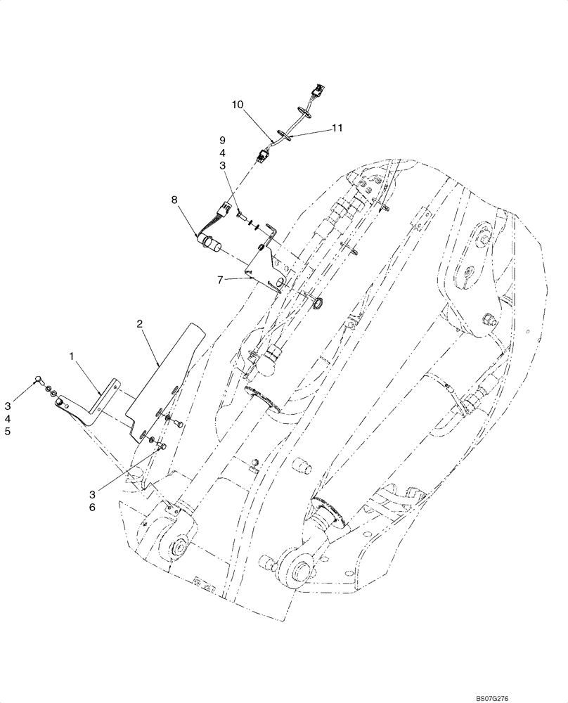
Запчасти Case 621E (09-03) - CONTROL - RETURN-TO-DIG (XT LOADER) (09) - CHASSIS

Схема запчастей Case 621E - (09-03) - CONTROL - RETURN-TO-DIG (XT LOADER) (09) - CHASSIS
2
3
3
4
3
5
6
10
11
1
9
7
4
8
FIT
1:1
100%

Артикул

Название

Примечание

Количество

1

87304560

BRACKET

Return to Dig, Rod End

1шт.

2

87443659

BRACKET

Return to Dig, Target

1шт.

3

895-11010

WASHER,11mm ID x 20mm OD x 2mm Thk

6шт.

4

892-11010

LOCK WASHER,M10

4шт.

5

627-10035

BOLT,Hex, M10 x 1.5 x 35mm, Cl 10.9, Full Thd

2шт.

6

627-10020

BOLT,Hex, M10 x 1.5 x 20mm, Cl 10.9, Full Thd

2шт.

7

87310689

BRACKET

Switch Guard

1шт.

8

1546498C1

SWITCH

Proximity

1шт.

9

627-10025

BOLT,Hex, M10 x 1.5 x 25mm, Cl 10.9, Full Thd

2шт.

10

87581938

HARNESS

Return to Dig, XT

1шт.

11

L11541

CABLE TIE,203.2mm L, Nylon

CABLE STRAP

2шт.

Выбрано товаров: 11