Запчасти Case 621E (09-36) - STEPS - LEFT - 3 STEP (09) - CHASSIS

Схема запчастей Case 621E - (09-36) - STEPS - LEFT - 3 STEP (09) - CHASSIS
2
5
6
7
9
4
7
5
3a
1a
1
5
2
7
3
3
5
8
FIT
1:1
100%

Артикул

Название

Примечание

Количество

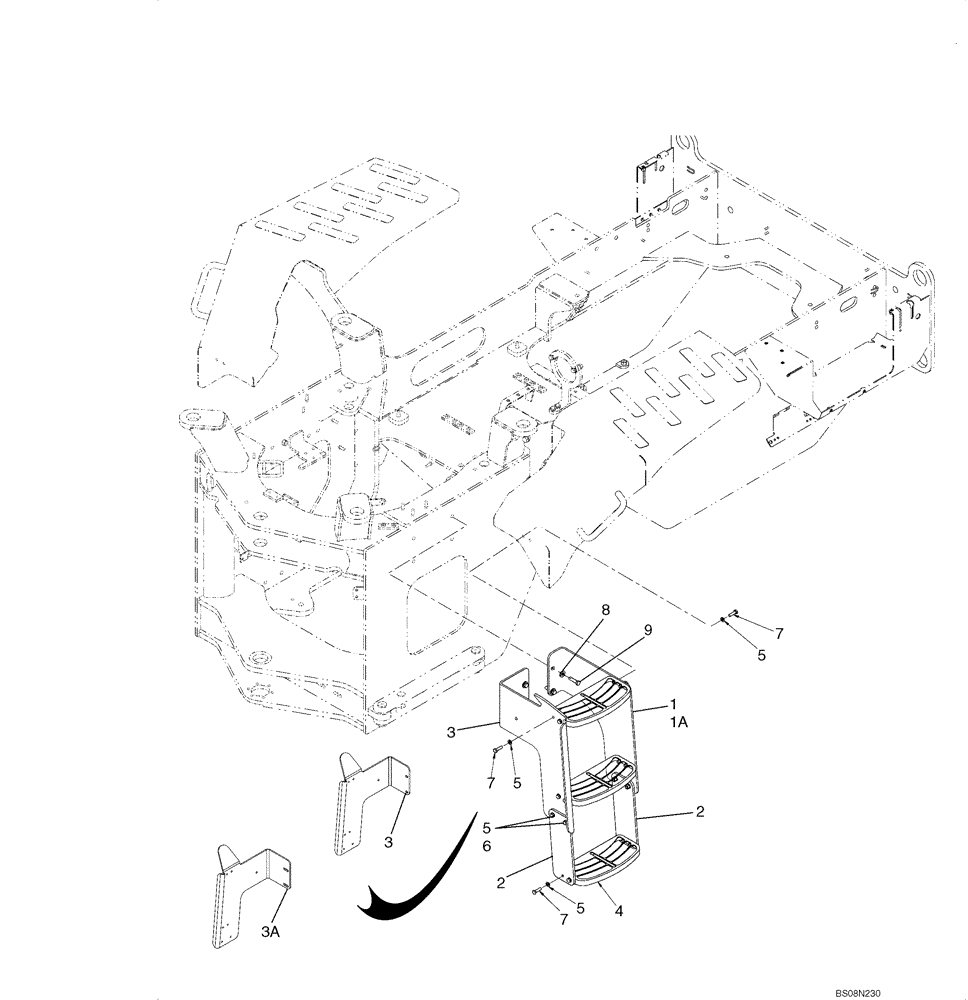
1

87559796

BRACKET

LH Step Support; Prior To P.I.N. N8F203565

1шт.

1a

87736608

BRACKET

LH Step Support; P.I.N. N8F203565 And After

1шт.

2

87559798

STRAP

2шт.

3

87663487

BRACKET, SUPPORTING

LH Step Support; Prior To P.I.N. N8F203565

1шт.

3a

87736605

SUPPORT

LH Step Support; P.I.N. N8F203565 And After

1шт.

4

87434472

STEP

3шт.

5

895-11010

WASHER,11mm ID x 20mm OD x 2mm Thk

32шт.

6

832-10410

NUT,M10 x 1.5, Cl 8

16шт.

7

627-10035

BOLT,Hex, M10 x 1.5 x 35mm, Cl 10.9, Full Thd

16шт.

8

896-15012

WASHER,13.5mm ID x 28mm OD x 4mm Thk

4шт.

9

627-12045

BOLT,Hex, M12 x 1.75 x 45mm, Cl 10.9, Full Thd

4шт.

Выбрано товаров: 11