Качественные детали и логистика
Оригинальные и аналоговые запчасти с доставкой по России, Казахстану и Беларуси
©2022 PartSell ООО "Система" ИНН 2463123282 ОГРН 1212400004838
Центральный офис: г. Красноярск, Академика Киренского, д.87, пом.4
Телефон: 8 (800) 777-65-74 Email: zakaz@partsell.ru
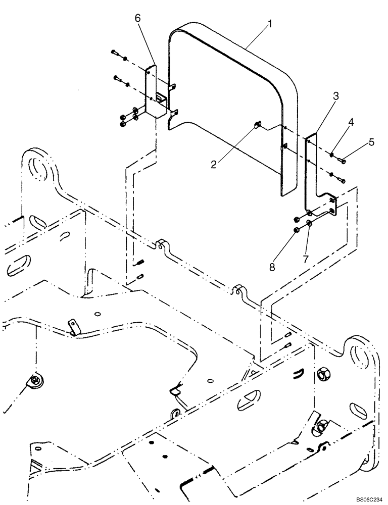
(09-40) - COVERS - DRIVE BELT (WITHOUT AIR CONDITIONING)
№
Артикул
Название
Примечание
Количество
REF
INSTRUCTION
WITHOUT AIR CONDITIONING
1шт.
1
8501024
GUARD
2
833-40306
SPRING NUT,M6, U
4шт.
3
87528973
BRACKET
Engine Guard Mounting; Left
4
892-11006
LOCK WASHER,M6
5
627-6020
BOLT,Hex, M6 x 1 x 20mm, Cl 10.9, Full Thd
6
87528970
Engine Guard Mounting; Right
7
895-15008
WASHER,9mm ID x 20mm OD x 1.6mm Thk
8
832-10408
NUT,M8 x 1.25, Cl 8.8
Выбрано товаров: 0