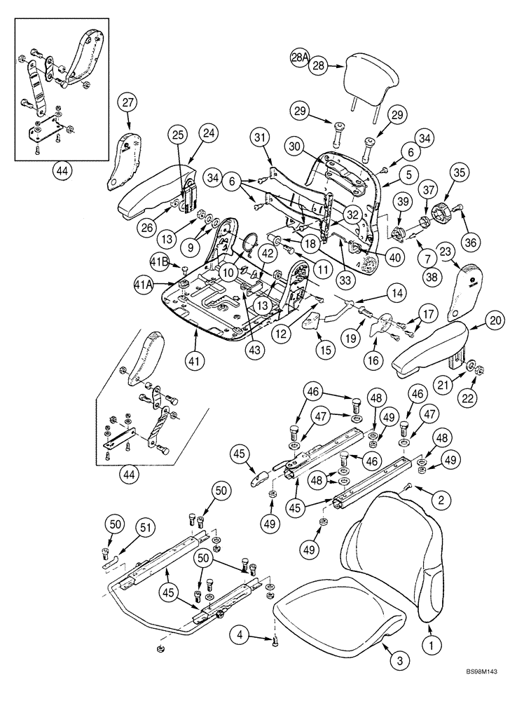
Запчасти Case 621E (09-45) - SEAT ASSY, MECHANICAL SUSPENSION - VINYL (09) - CHASSIS

Схема запчастей Case 621E - (09-45) - SEAT ASSY, MECHANICAL SUSPENSION - VINYL (09) - CHASSIS
48
48
25
39
48
20
31
29
14
7
32
37
23
34
41a
49
10
15
45
46
6
46
50
40
45
46
38
21
42
18
16
43
47
29
49
1
30
28
11
45
27
36
33
13
41b
50
2
49
4
34
9
44
17
47
49
44
12
3
50
26
24
5
51
22
35
41
6
13
28a
19
FIT
1:1
100%

Артикул

Название

Примечание

Количество

REF

INSTRUCTION

UPPER SEAT ASSEMBLY

1шт.

399261A1

DRIVER SEAT

Vinyl; Mechanical Suspension; Incl.1 - 51; Also Includes Parts On Figure 09-27; For Mounting See Figure 09-46

1шт.

1

406877A1

CUSHION

Vinyl, Backrest; Incl. 2

1шт.

2

345726A1

SCREW

4шт.

3

406878A1

CUSHION, SEAT

Vinyl; Incl. 4

1шт.

4

345726A1

SCREW

4шт.

345764A1

BACKREST

Cover Plate; Incl. 5 - 7

1шт.

5

NSS

NOT SOLD SEPARAT

Cover Plate

1шт.

6

345731A1

SCREW

7шт.

7

345771A1

RIVET

3шт.

345778A1

REPAIR KIT

Hardware; Backrest Adjustment; Incl. 9 - 19

1шт.

9

934058R1

WASHER,8.4mm ID x 15mm OD x 1.6mm Thk

2шт.

10

345743A1

SPRING

1шт.

11

345748A1

SCREW

M8 x 40

1шт.

12

864-8016

HEX SOC SCREW,M8 x 16mm, Cl 8.8

2шт.

13

60-4845T1

NUT

2шт.

14

345749A1

LEVER

1шт.

15

345752A1

HANDLE

Grip

1шт.

16

345753A1

PLATE

1шт.

17

345754A1

SCREW

M6 x 10

3шт.

18

345774A1

BUSHING

1шт.

19

345776A1

SCREW

M8 x 18

1шт.

20

398151A1

ARMREST

LH; Incl. 21, 22

1шт.

21

345729A1

WASHER

1шт.

22

832-10408

NUT,M8 x 1.25, Cl 8.8

1шт.

23

345741A1

COVER

LH

1шт.

24

398152A1

ARMREST

RH, Incl. 25, 26

1шт.

25

345729A1

WASHER

1шт.

26

832-10408

NUT,M8 x 1.25, Cl 8.8

1шт.

27

345756A1

COVER

RH

1шт.

28

346303A1

SEAT HEADREST

Vinyl Headrest Cushion

1шт.

29

345765A1

FERRULE

2шт.

30

345766A1

RETAINER

1шт.

345767A1

SUPPORT

Lumbar; Incl. 31, 40

1шт.

31

345732A1

PLATE

2шт.

32

345733A1

PLATE

1шт.

33

345730A1

ROD

1шт.

34

345731A1

SCREW

7шт.

35

345769A1

HANDLE

Knob; Incl. 36

1шт.

36

345768A1

SCREW

M6 x 10

1шт.

37

345770A1

PAWL

1шт.

38

345771A1

RIVET

3шт.

39

345772A1

SUPPORT

1шт.

40

345773A1

LEVER

1шт.

41

345747A1

FRAME

Incl. 41A, 41B

1шт.

41a

345737A1

GUIDE

4шт.

41b

345777A1

RIVET

4шт.

42

345786A1

STOP

1шт.

43

832-10408

NUT,M8 x 1.25, Cl 8.8

1шт.

44

345785A1

KIT

Tether Belt

1шт.

45

345783A1

RAIL ASSY.

KIT; Seat Slide; See Figure 09-27

1шт.

46

16043224

BOLT,Hex, M8 x 16mm, Cl 8.8

4шт.

47

345729A1

WASHER

3шт.

48

934058R1

WASHER,8.4mm ID x 15mm OD x 1.6mm Thk

4шт.

49

345728A1

NUT

M8

4шт.

50

864-8025

HEX SOC SCREW,M8 x 25mm, Cl 8.8

6шт.

51

346103A1

SUPPORT

1шт.

Выбрано товаров: 57