Запчасти Case 621E (09-54) - CAB - INTERIOR TRIM (09) - CHASSIS

Схема запчастей Case 621E - (09-54) - CAB - INTERIOR TRIM (09) - CHASSIS
7
09-57
3
1
6
10
5
7
8
16
14
7
09-57
13
2
4
11a
12
6
9
FIT
1:1
100%

Артикул

Название

Примечание

Количество

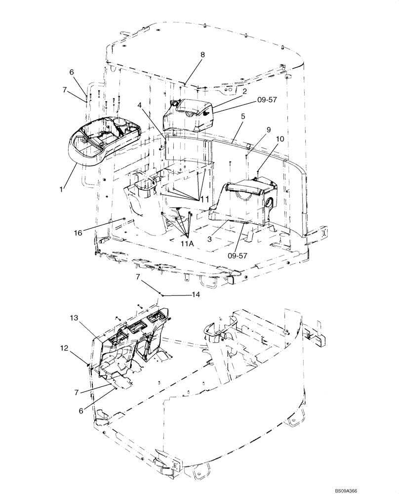
1

76303033

CONSOLE

RH

1шт.

2

REF

INSTRUCTION

STORAGE BOX, See Figure 09-57

1шт.

3

REF

INSTRUCTION

COOL BOX, See Figure 09-57

1шт.

4

87667054

TRIM PANEL

Rear

1шт.

5

87667053

TRIM PANEL

Rear

1шт.

6

840-1630

SCREW,Pan, M6 x 30mm, Cl 4.8

8шт.

7

895-11006

WASHER,6.6mm ID x 12mm OD x 1.6mm Thk

11шт.

8

847-3616

SERRATED SCREW,Sl Truss, M6 x 16mm, Cl 10.9

4шт.

9

86514457

SCREW,Phil Pan Hd, M6 x 35mm, Cl 4.8, Full Thd

M6 x 35, Cl 4.8; Replaces 86503049 Used On Some Models

2шт.

10

239105A1

SCREW,Cross Pan Hd, M6 x 20mm

Replaces Screw 14778414 Used On Some Models

1шт.

11

404287A1

INSERT,M6

M6

5-11шт.

11a

86013769

NUT

Threaded Insert, M6, Open; Replaces 404287A1 Insert

6шт.

12

833-40306

SPRING NUT,M6, U

2шт.

13

76303040

CONSOLE

Front

1шт.

14

614-6012

BOLT,Hex, M6 x 1 x 12mm, Cl 8.8, Full Thd

3шт.

15

353-412

PLUG,Dome, 1.093" hole, Nylon

Cab Trim, Not Illustrated

3шт.

16

353-404

PLUG,Dome, .500" hole, Nylon

5шт.

Выбрано товаров: 17