Запчасти Case 621E (02-15) - BREATHER - ENGINE (02) - ENGINE

Схема запчастей Case 621E - (02-15) - BREATHER - ENGINE (02) - ENGINE
9
13
21
7
11
1
10
10
21
12
18
5
6
20
3
8
17
15
4
19
2
16
FIT
1:1
100%

Артикул

Название

Примечание

Количество

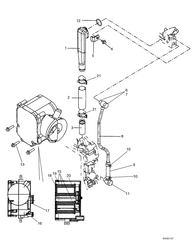
1

4897534

TUBE

Breather

1шт.

2

4897546

RUBBER SLEEVE

Tube

1шт.

3

4897547

TUBE

Connector

1шт.

4

4897537

SCREW

1шт.

5

4897536

BRACKET

1шт.

4899219

TUBE

Breather Assy. Incl. Refs. 6 - 11

1шт.

6

2852772

BANJO BOLT

2шт.

7

4899926

SEALING WASHER,11.8mm ID x 18.0mm OD x 1.5mm Thk

4шт.

8

NSS

NOT SOLD SEPARAT

Hose

1шт.

9

4899240

HOSE

Plain

1шт.

10

4899242

CLAMP

2шт.

11

4899243

HYD CONNECTOR

1шт.

12

4898439

O-RING,20.29mm ID x 2.62mm Width

1шт.

13

4899092

SCREW,Hex Flg, M6 x 1 x 25

3шт.

4892871

BREATHER

Assy. Incl. Refs. 14 - 21

1шт.

14

2830301

SELF-TAP SCREW

Breather Case, Not Illustrated

6шт.

15

2830307

BREATHER

Crankcase

1шт.

16

4898372

O-RING,13.11mm ID x 2.62mm Width

1шт.

17

2830304

O-RING

1шт.

18

2830302

COVER

Protective

1шт.

19

2830303

GASKET

Breather

1шт.

20

2992447

FILTER

KIT, Breather

1шт.

21

4893234

HOSE CLAMP

2шт.

Выбрано товаров: 23