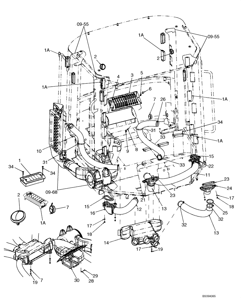
Запчасти Case 621E (09-69) - CAB - HEATER AND AIR CONDITIONING DUCTS (09) - CHASSIS

Схема запчастей Case 621E - (09-69) - CAB - HEATER AND AIR CONDITIONING DUCTS (09) - CHASSIS
34
26
32
11
4
25
10
2
17
19
21
2
23
09-68
18
7
8
19
16
15
1a
15
17
18
17
1
1a
22
32
31
28
23
13
3
09-55
1a
30
1a
14
9
24
1a
29
7
13
6
31
33
7
34
09-55
34
5
33
12
1a
2
FIT
1:1
100%

Артикул

Название

Примечание

Количество

1

76079036

VENT

If Used

15шт.

1a

76079036

VENT

If Used

15шт.

2

76048980

VENT

DISCHARGE SPOUT

2шт.

3

84125367

COVER

Replaces 76303331 Cover Used On Some Models

1шт.

4

76303499

FILTER

, Serial Range: -NCF215710

1шт.

4

84389987

AIR FILTER,Square, 415mm L x 164mm W, Paper

Cab Recirculation, Start Serial: NCF215711

1шт.

5

87610804

RUBBER WASHER

D6.4 x 17

1шт.

6

76303321

PIN

1шт.

7

76303265

LOUVER

If Used

1шт.

8

76303319

WASHER

1шт.

9

76303320

CLIP

1шт.

10

76303505

HOSE,70mm ID x 1700mm L

1шт.

11

76303501

HOSE,80mm ID x 865mm L

1шт.

12

76303502

VENTILATION PIPE

Air

1шт.

13

76303549

VENTILATION PIPE

Air

2шт.

14

76303023

DUCT

Air Delivery

1шт.

15

76303495

GASKET,10mm Thk

2шт.

16

87619957

AIR DUCT

1шт.

17

87664049

WASHER,9mm ID x 16mm OD x 1.6mm Thk

M9 x 16 x 1.6

11шт.

18

832-10408

NUT,M8 x 1.25, Cl 8.8

8шт.

19

614-8035

BOLT,Hex, M8 x 1.25 x 35mm, Cl 8.8, Full Thd

3шт.

20

71485317

SCREW

4шт.

21

87619956

AIR DUCT

1шт.

22

87619954

AIR DUCT

1шт.

23

76303494

GASKET,13mm Thk

2шт.

24

87619955

AIR DUCT

1шт.

25

87610848

GASKET

4шт.

26

214-1444

HOSE CLAMP,58.6mm - 82.5mm

4шт.

27

76303496

GASKET,10mm Thk

1шт.

28

895-11006

WASHER,6.6mm ID x 12mm OD x 1.6mm Thk

10шт.

29

614-6020

BOLT,Hex, M6 x 1 x 20mm, Cl 8.8, Full Thd

2шт.

30

76303496

GASKET,10mm Thk

1шт.

31

76303500

GASKET,Square, 10mm Thk x 70mm ID

2шт.

32

214-1452

HOSE CLAMP,#52, 2.81" - 3.75", Type F Worm

8шт.

33

76303504

VENTILATION PIPE

Air

1шт.

34

265-17316

SELF-TAP SCREW,Phillips Drive, Oval HD, #6 - 20 x 1"

30шт.

Выбрано товаров: 36