Запчасти Case 621E (04-01) - STARTER (04) - ELECTRICAL SYSTEMS

Схема запчастей Case 621E - (04-01) - STARTER (04) - ELECTRICAL SYSTEMS
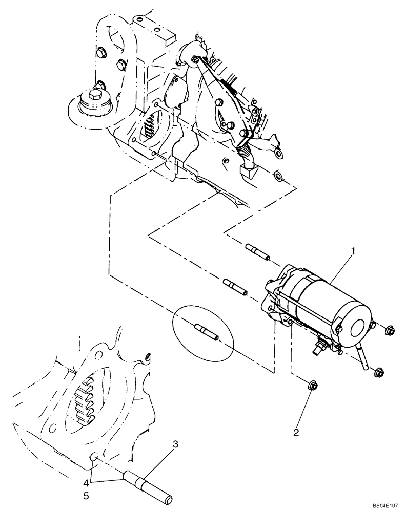
4
5
1
2
3
FIT
1:1
100%

Артикул

Название

Примечание

Количество

1

8605784

STARTING MOTOR

Denso, No Component Parts Available At Time Of Printing

1шт.

1

8605784R

REMAN-STARTER

1шт.

1

8605784C

CORE-STARTER

Return Number

1шт.

2

829-2310

FLANGE NUT,M10 x 1.5, Flg, Cl 10

3шт.

3

2852476

STUD

Starter; 10mm

3шт.

4

345-62

SEALANT

747

1шт.

5

345-75

SEALANT

271 Thread Adhesive

1шт.

Выбрано товаров: 7