Запчасти Case 621E (04-10) - HARNESS, TRANSMISSION (04) - ELECTRICAL SYSTEMS

Схема запчастей Case 621E - (04-10) - HARNESS, TRANSMISSION (04) - ELECTRICAL SYSTEMS
5
7
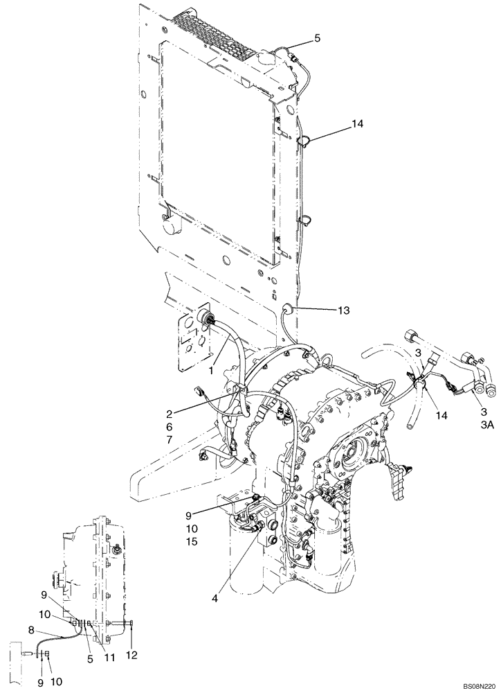
2
14
3a
14
15
9
9
12
10
4
10
13
3
9
3
1
5
10
11
9
6
FIT
1:1
100%

Артикул

Название

Примечание

Количество

1

87592785

HARNESS

Transmission

1шт.

2

515-21190

CLAMP,3/4", Insul, 1/4" Bolt

1шт.

3

377899A1

SWITCH

Redundant Brake; For Use With 2.8L Brake Accumulators P/N 87741066; Prior To P.I.N. N8F204751

2шт.

3a

87728742

SWITCH

Redundant Brake; For Use With 3.5L Brake Accumulators P/N 87728740; P.I.N. N8F204751 And After

2шт.

4

321446A1

SENSOR

Hydraulic Oil Temp

1шт.

5

445786A1

WIRE HARNESS

Coolant Level Sender; If Used, Machines Prior To P.I.N. N8F204487

1шт.

5a

87732880

WIRE HARNESS

HARNESS, WIRE, Coolant Sensor Jumper; If Used, P.I.N. N8F204487 And After

1шт.

6

895-11006

WASHER,6.6mm ID x 12mm OD x 1.6mm Thk

1шт.

7

832-10406

NUT,M6 x 1, Cl 8

1шт.

8

79028421

GROUND CABLE

1шт.

9

895-15010

WASHER,11mm ID x 24mm OD x 2mm Thk

4шт.

10

832-10410

NUT,M10 x 1.5, Cl 8

3шт.

11

829-1410

NUT,M10 x 1.5, Cl 10.9

1шт.

12

627-10065

BOLT,Hex, M10 x 1.5 x 65mm, Cl 10.9, Full Thd

1шт.

13

198823C1

GROMMET,9.53mm ID x 41.1mm OD x 26.9mm Thk

1шт.

14

L11541

CABLE TIE,203.2mm L, Nylon

CABLE STRAP

3шт.

15

627-10035

BOLT,Hex, M10 x 1.5 x 35mm, Cl 10.9, Full Thd

1шт.

Выбрано товаров: 17