Запчасти Case 721E (06-02) - HYDRAULICS - TRANSMISSION (06) - POWER TRAIN

Схема запчастей Case 721E - (06-02) - HYDRAULICS - TRANSMISSION (06) - POWER TRAIN
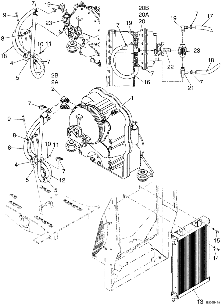
17
20
19
6
5
15
18
2
5
1
11
12
10
13
7
7
23
7
22
21
19
18
7
2a
19
20b
20a
8
10
8
7
11
9
14
7
7
4
4
9
23
16
7
2b
5
FIT
1:1
100%

Артикул

Название

Примечание

Количество

1

8500050

TRANSMISSION

See Figures 06-04 - 06-20, 07-01; Prior To P.I.N. N8F203816

1шт.

87671889R

REMAN-TRANSMISSION

721E TIER 3, PRIOR TO P.I.N. N8F203816, Reman For New P/N 8500050

1шт.

87671889C

CORE-TRANSMISSION

Return Number

1шт.

1

87671889

TRANSMISSION

See Figures 06-21 -06-37, 07-01; P.I.N. N8F203816 - N8F204594

1шт.

87671889R

REMAN-TRANSMISSION

721E TIER 3, P.I.N. N8F203816 AND AFTER, (8/06-)

1шт.

87671889C

CORE-TRANSMISSION

Return Number

1шт.

1

8605548

REMAN-TRANSMISSION

721D, Model Number 4WG190, Stock Number 4657 024 030

1шт.

1

8605547

CORE-TRANSMISSION

Return Number

1шт.

1

87738820

TRANSMISSION

See Figures 06-21 -06-37, 07-01; P.I.N. N8F204595 And After

1шт.

87738820R

REMAN-TRANSMISSION

721E TIER 3 (8/06-),TRANSMISSION P.I.N N8F204595 And After

1шт.

87738820C

CORE-TRANSMISSION

Return Number

1шт.

2

201-308

ELBOW,90 Degree Elbow, 1-7/16" - 12 Male ORFS x 1-5/16" - 12 Male ORB

Incl. 2A, 2B; If Used

2шт.

2a

237-6016

O-RING,0.116" Thk x 1.171" ID, -916, Cl 6, 90 Duro

Boss Seal

1шт.

2b

238-6021

O-RING,15/16 X 1 - 1/16, Cl 6

Face Seal

1шт.

3

8500576

CLAMP

2шт.

4

515-23381

CLAMP,1 1/2", Insul, 3/8" Bolt

1шт.

5

248-1185

GROMMET,1 1/2" ID x 1 3/4" Groove Dia

2шт.

6

8501185

HOSE,25.4mm ID x 1375mm L

Cooler To Transmission, 1375 mm (54 1/8 in); If Used

1шт.

7

87482165

HOSE CLAMP,1" - 1.75", Worm Gear

Replaces 353036A1 Clamp Used On Some Models

2-6шт.

8

8500583

PLATE

1шт.

9

827-10090

BOLT,Hex, M10 x 1.5 x 90mm, Cl 10.9

3шт.

10

895-15008

WASHER,9mm ID x 20mm OD x 1.6mm Thk

1шт.

11

832-10408

NUT,M8 x 1.25, Cl 8.8

1шт.

12

8501186

HOSE,25.4mm ID x 2100mm L

Transmission To Cooler, 2100 mm (82 11/16 in); If Used

1шт.

13

8501295

OIL COOLER

Transmission; Standard Models

1шт.

13

87740230

COOLER

COOLER, OIL, Transmission; Commodity King Models

1шт.

14

892-11008

LOCK WASHER,8mm ID

2шт.

15

627-8035

BOLT,Hex, M8 x 1.25 x 35mm, Cl 10.9, Full Thd

2шт.

16

84195584

HOSE

HOSE, Valve to Transmission, 650 mm (25 - 19/32); If Used

1шт.

17

84195582

HOSE,25.4mm ID x 2100mm L

HOSE, Valve to Cooler, 2100 mm (82 - 43/64 in); If Used

1шт.

18

84195583

HOSE

HOSE, Cooler to Valve, 1350 mm (53 - 9/64 in); If Used

1шт.

19

87393628

ADAPTER,1" Hose Barb x 1-5/16" - 12 ORB

90 deg., Barbed; If Used

2шт.

20

201-308

ELBOW,90 Degree Elbow, 1-7/16" - 12 Male ORFS x 1-5/16" - 12 Male ORB

Incl. Refs. 20A, 20B; If Used

1шт.

20a

237-6016

O-RING,0.116" Thk x 1.171" ID, -916, Cl 6, 90 Duro

Boss Seal

1шт.

20b

238-6021

O-RING,15/16 X 1 - 1/16, Cl 6

Face Seal

1шт.

21

235067A1

TEE

If Used

1шт.

22

87672177

HYD CONNECTOR

CONNECTOR; If Used

1шт.

23

84138750

VALVE

VALVE, Bypass; If Used, Start Serial: N9F206903

1шт.

Выбрано товаров: 38