Запчасти Case 721E (08-18) - HYDRAULICS - LOADER AUXILIARY - THIRD SPOOL (Z-BAR) (08) - HYDRAULICS

Схема запчастей Case 721E - (08-18) - HYDRAULICS - LOADER AUXILIARY - THIRD SPOOL (Z-BAR) (08) - HYDRAULICS
11
14
16
12
1
3
6
12
9
13a
9a
7
12
9b
4
5
8
10
2
13
16
FIT
1:1
100%

Артикул

Название

Примечание

Количество

REF

INSTRUCTION

Z-BAR LOADER

1шт.

REF

INSTRUCTION

THREE SPOOL

1шт.

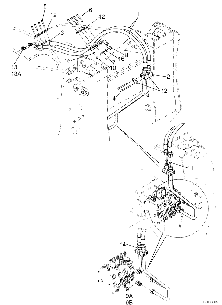
1

8500733

FLEXIBLE HOSE,19.05mm ID x 2032mm L

2032 mm (80 in); Z-Bar Accessory

2шт.

2

367489A1

BLOCK

2шт.

3

372453A1

BLOCK

4шт.

4

827-10110

BOLT,Hex, M10 x 1.5 x 110mm, Cl 10.9

2шт.

5

827-10060

BOLT,Hex, M10 x 1.5 x 60mm, Cl 10.9

4шт.

6

827-10080

BOLT,Hex, M10 x 1.5 x 80mm, Cl 10.9

4шт.

7

627-10025

BOLT,Hex, M10 x 1.5 x 25mm, Cl 10.9, Full Thd

2шт.

8

373040A2

BRACKET

Hose Clamp

1шт.

9

700-105

HYD CONNECTOR,1-7/16" - 12 Male ORFS x M33 x 2 Male ORB

Incl. 9A, 9B

2шт.

9a

238-6021

O-RING,15/16 X 1 - 1/16, Cl 6

Face Seal

1шт.

9b

637-64296

O-RING,2.9mm Thk x 29.6mm ID, Cl 6, 90 Duro

Boss Seal

1шт.

10

832-10410

NUT,M10 x 1.5, Cl 8

4шт.

11

238-6021

O-RING,15/16 X 1 - 1/16, Cl 6

2шт.

12

367658A1

PLATE

6шт.

13

701-914

PLUG,Hex, 1-3/16" - 12 ORFS

Incl. 13A

2шт.

13a

238-6018

O-RING,0.07" Thk x 0.739" ID, -18, Cl 6, 90 Duro

Face Seal

1шт.

14

8602070

HYD TUBE

Left Accessory

1шт.

15

8602072

HYD TUBE

Right Accessory

1шт.

16

895-11010

WASHER,11mm ID x 20mm OD x 2mm Thk

6шт.

Выбрано товаров: 21