Качественные детали и логистика
Оригинальные и аналоговые запчасти с доставкой по России, Казахстану и Беларуси
©2022 PartSell ООО "Система" ИНН 2463123282 ОГРН 1212400004838
Центральный офис: г. Красноярск, Академика Киренского, д.87, пом.4
Телефон: 8 (800) 777-65-74 Email: zakaz@partsell.ru
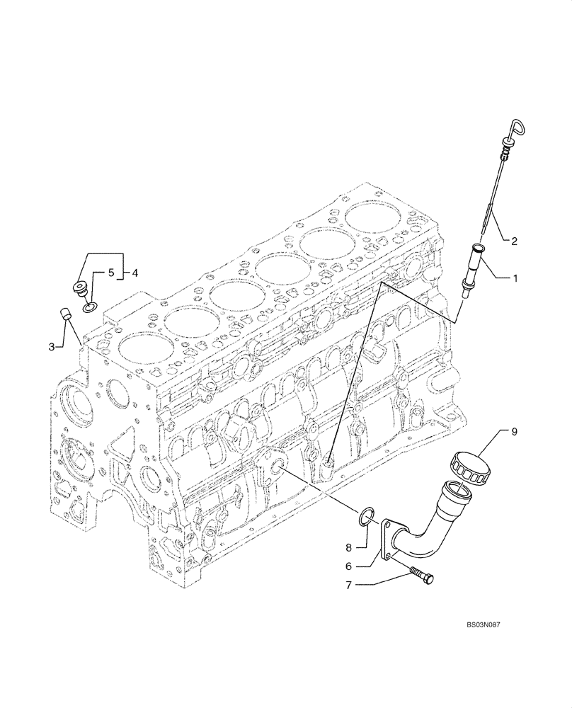
(02-09) - OIL FILL, ENGINE
№
Артикул
Название
Примечание
Количество
1
2852122
TUBE,81 mm Length
1шт.
2
2852464
DIPSTICK
3
4899036
PLUG
4
4897330
HEX SOCKET PLUG,M12 x 1.5
- Assy
5
4895610
O-RING,2.2mm Thk x 9.3mm ID
6
2852377
NECK FILLER
Oil
7
2852134
FLANGE BOLT,Hex, M12 x 1.75 x 25mm
2шт.
8
2852135
O-RING,2.6mm Thk x 37.7mm ID
9
2852136
CAP,48mm ID x 56mm OD x 18mm W
Oil Fill
Выбрано товаров: 0