Запчасти Case 721E (08-33) - VALVE, CONTROL - MOUNTING, TWO, THREE SPOOL (Z-BAR/XT LOADER) (08) - HYDRAULICS

Схема запчастей Case 721E - (08-33) - VALVE, CONTROL - MOUNTING, TWO, THREE SPOOL (Z-BAR/XT LOADER) (08) - HYDRAULICS
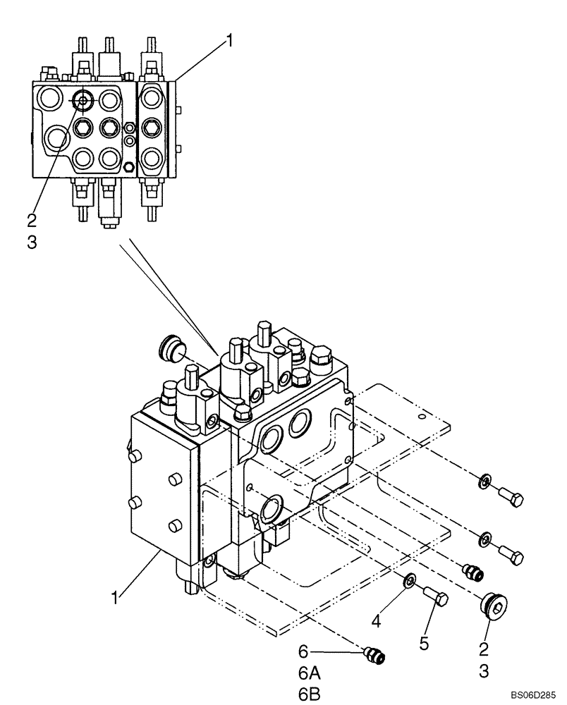
6
5
3
6a
4
1
2
3
1
6b
2
FIT
1:1
100%

Артикул

Название

Примечание

Количество

REF

INSTRUCTION

THREE SPOOL VALVE MOUNTING

1шт.

1

87539262

HYDRAULIC VALVE

Two Spool; Z-Bar Loader Valve; See Figures 08-43 - 08-43A; Replaces 87450850; End Plate And Screw Change

1шт.

1

87539263

HYDRAULIC VALVE

Three Spool; Z-Bar Loader; See Figures 08-44 - 08-44A; Replaces 87450851; End Plate And Screw Change

1шт.

1

87592834

HYDRAULIC VALVE

Two Spool; XT Loader Valve; See Figures 08-43B - 08-43C; Replaces 87539265; End Plate And Screw Change

1шт.

1

87592835

HYDRAULIC VALVE

Three Spool; XT Loader Valve; See Figures 08-44B - 08-44C; Replaces 87539266; End Plate And Screw Change

1шт.

2

221527A1

PLUG,Hex Soc, M33 x 2, ORB

Incl. 3; Z-Bar Loader Valve

2шт.

3

637-64296

O-RING,2.9mm Thk x 29.6mm ID, Cl 6, 90 Duro

Boss Seal

1шт.

4

896-11012

WASHER,13.5mm ID x 24mm OD x 3mm Thk

3шт.

5

627-12030

BOLT,Hex, M12 x 1.75 x 30mm, Cl 10.9, Full Thd

3шт.

6

700-101

HYD CONNECTOR,11/16" - 16 Male ORFS x M14 x 1.5 Male ORB

Incl. 6A. 6B; If Used

2шт.

6a

238-6012

O-RING,0.07" Thk x 0.364" ID, -12, Cl 6, 90 Duro

Face Seal

1шт.

6b

637-63113

O-RING,2.2mm Thk x 11.3mm ID, Cl 6

1шт.

Выбрано товаров: 12