Запчасти Case 721E (09-01) - CONTROL - RETURN-TO-DIG (Z BAR LOADER) (09) - CHASSIS

Схема запчастей Case 721E - (09-01) - CONTROL - RETURN-TO-DIG (Z BAR LOADER) (09) - CHASSIS
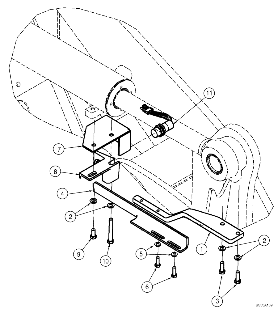
2
11
7
5
10
4
1
6
8
3
2
9
FIT
1:1
100%

Артикул

Название

Примечание

Количество

REF

INSTRUCTION

Z-BAR LOADER

1шт.

1

87403964

BRACKET

Return To Dig; Replaces 376391A2

1шт.

2

896-11012

WASHER,13.5mm ID x 24mm OD x 3mm Thk

4шт.

3

627-12035

BOLT,Hex, M12 x 1.75 x 35mm, Cl 10.9, Full Thd

2шт.

4

443541A1

BRACKET

Target RTD

1шт.

5

896-11010

WASHER,11mm ID x 21mm OD x 2.5mm Thk

2шт.

6

627-10030

BOLT,Hex, M10 x 1.5 x 30mm, Cl 10.9, Full Thd

2шт.

7

87403966

COVER

Proximity Switch; Replaces 367363A1

1шт.

8

L125983

SUPPORT

Proximity Switch

1шт.

9

627-12025

BOLT,Hex, M12 x 1.75 x 25mm, Cl 10.9, Full Thd

1шт.

10

827-12090

BOLT,Hex, M12 x 1.75 x 90mm, Cl 10.9

1шт.

11

1546497C1

SWITCH

Proximity

1шт.

Выбрано товаров: 12