Запчасти Case 721E (09-22) - FRAME, REAR (09) - CHASSIS

Схема запчастей Case 721E - (09-22) - FRAME, REAR (09) - CHASSIS
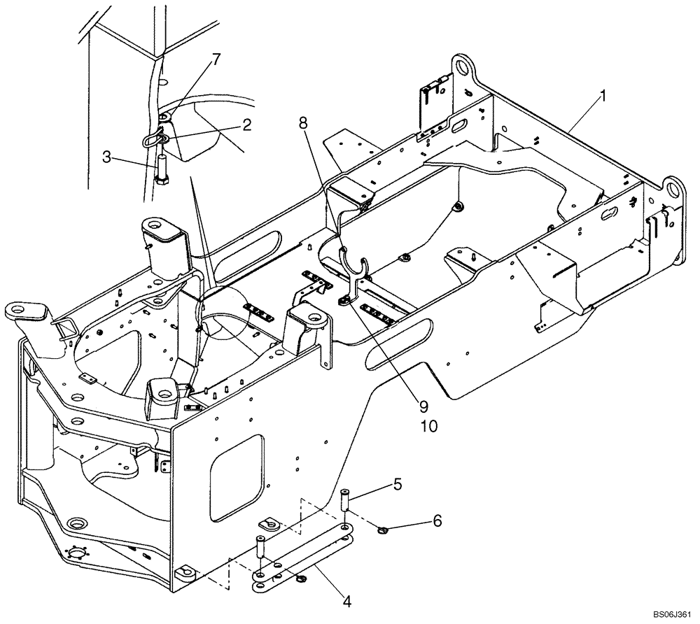
2
1
10
4
3
7
9
5
6
8
FIT
1:1
100%

Артикул

Название

Примечание

Количество

1

84173647

FRAME

FRAME, Rear, Replaces 87351228, 87577828, 87495442

1шт.

2

892-11012

LOCK WASHER,M12

4шт.

3

627-12040

BOLT,Hex, M12 x 1.75 x 40mm, Cl 10.9, Full Thd

4шт.

4

412067A1

LOCKING BAR

Transport And Service

1шт.

5

126268A1

PIN,31.8mm OD x 108mm L

Articulation Lock

2шт.

6

A30338

PIN

Klik

2шт.

7

895-15012

WASHER,M12 x 28 x 2.5

4шт.

8

87333864

GUARD

Drive Shaft

1шт.

9

896-11012

WASHER,13.5mm ID x 24mm OD x 3mm Thk

2шт.

10

627-12045

BOLT,Hex, M12 x 1.75 x 45mm, Cl 10.9, Full Thd

2шт.

Выбрано товаров: 10