Запчасти Case 721E (09-31) - FENDERS, FRONT - ASN N8F203756 (09) - CHASSIS

Схема запчастей Case 721E - (09-31) - FENDERS, FRONT - ASN N8F203756 (09) - CHASSIS
10
9
10
3
10
11
10
12
5
10
7
12
3
4
1
6
10
2
4
2
9
8
12
11
11
1
FIT
1:1
100%

Артикул

Название

Примечание

Количество

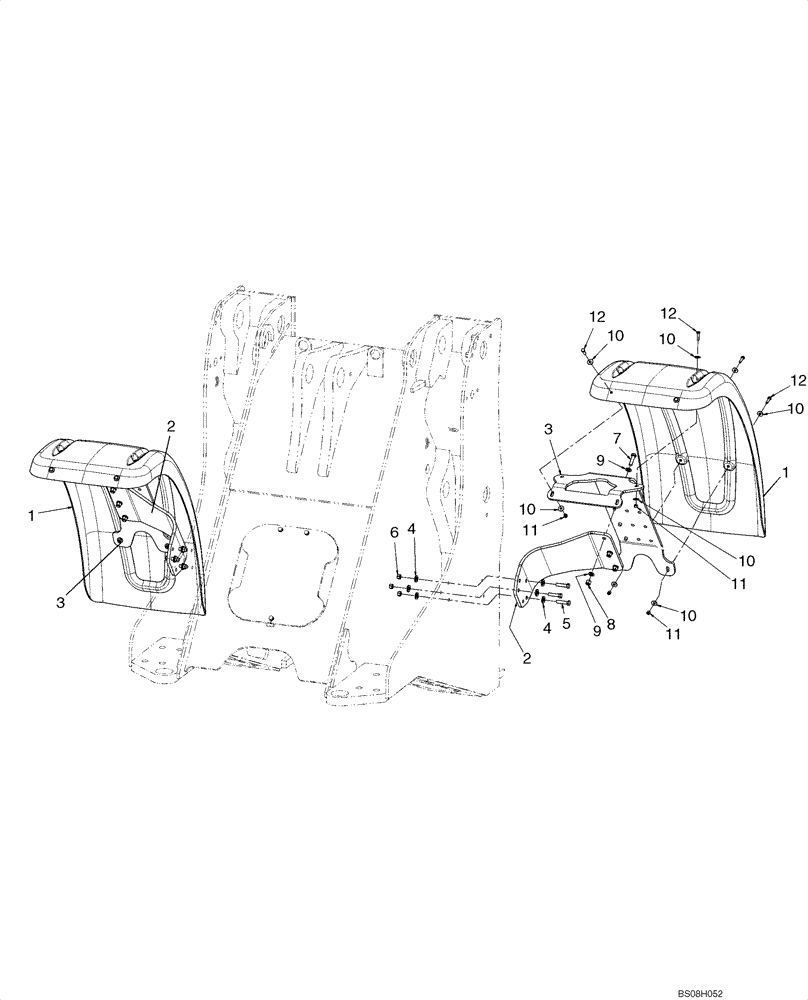
1

87355957

FENDER

Front

2шт.

2

87653072

BRACKET

Fender

2шт.

3

87653074

BRACKET

Fender Support

2шт.

4

896-15012

WASHER,13.5mm ID x 28mm OD x 4mm Thk

12шт.

5

827-12050

BOLT,Hex, M12 x 1.75 x 50mm, Cl 10.9

6шт.

6

829-1412

NUT,M12, Cl 10.9

6шт.

7

627-12045

BOLT,Hex, M12 x 1.75 x 45mm, Cl 10.9, Full Thd

6шт.

8

832-10412

NUT,M12 x 1.75, Cl 8

6шт.

9

896-11012

WASHER,13.5mm ID x 24mm OD x 3mm Thk

12шт.

10

895-25008

WASHER,9mm ID x 24mm OD x 2mm Thk

24шт.

11

832-10408

NUT,M8 x 1.25, Cl 8.8

12шт.

12

627-8030

BOLT,Hex, M8 x 1.25 x 30mm, Cl 10.9, Full Thd

12шт.

Выбрано товаров: 0