Запчасти Case 721E (02-20) - CYLINDER BLOCK (02) - ENGINE

Схема запчастей Case 721E - (02-20) - CYLINDER BLOCK (02) - ENGINE
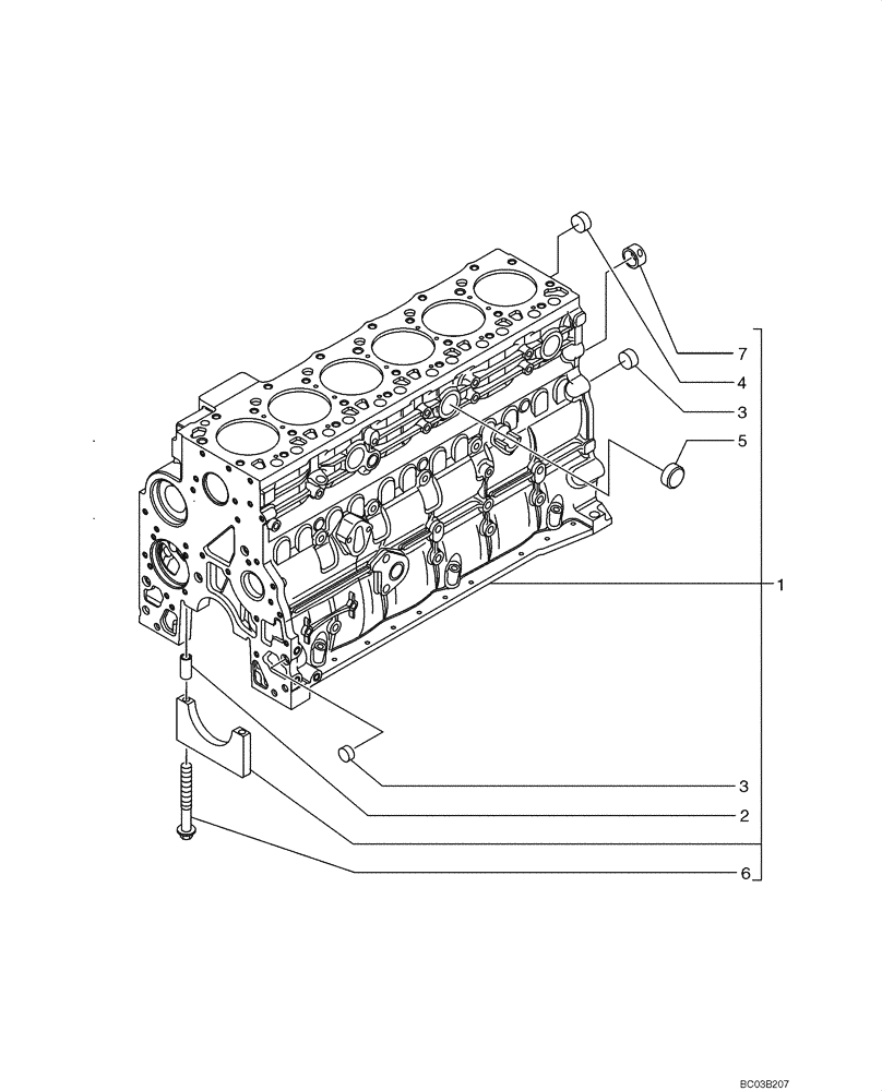
3
1
6
5
3
4
2
7
FIT
1:1
100%

Артикул

Название

Примечание

Количество

87538292

SHORT ENGINE

Includes All Parts On Figures 02-20, 02-21, 02-32, 02-33, 02-36, 02-37

1шт.

87538292R

REMAN-SHORT ENGINE

721E Tier 3 (8/06-)

1шт.

87538292C

SHORT ENGINE

Return Number

1шт.

87538292ER

REMAN-SHORT ENGINE

721E 6 Cylinder, Tier 3, (8/07)

1шт.

87538292EPAC

CORE-EPA ENGINE

Return Number

1шт.

1

2830076

CYLINDER BLOCK,6 Cylinders

1шт.

2

4899026

DOWEL,M18 x 10

If Used

14шт.

3

4895039

EXPANSION PLUG,M17.73

3шт.

4

4895038

EXPANSION PLUG,M58.06

6шт.

5

4895228

EXPANSION PLUG,35.23mm x 7.94mm

3шт.

6

4891353

SCREW,Flg Hd, M12 x 1.5 x 120

14шт.

7

4895040

BUSHING,54.39mm ID x 59.39mm OD x 25.4mm L

Camshaft

1шт.

Выбрано товаров: 12