Запчасти Case 721E (02-21) - CYLINDER BLOCK - PLUG ASSY (02) - ENGINE

Схема запчастей Case 721E - (02-21) - CYLINDER BLOCK - PLUG ASSY (02) - ENGINE
6
10
13
4
8
8
9
5
11
1
2
7
3
12
FIT
1:1
100%

Артикул

Название

Примечание

Количество

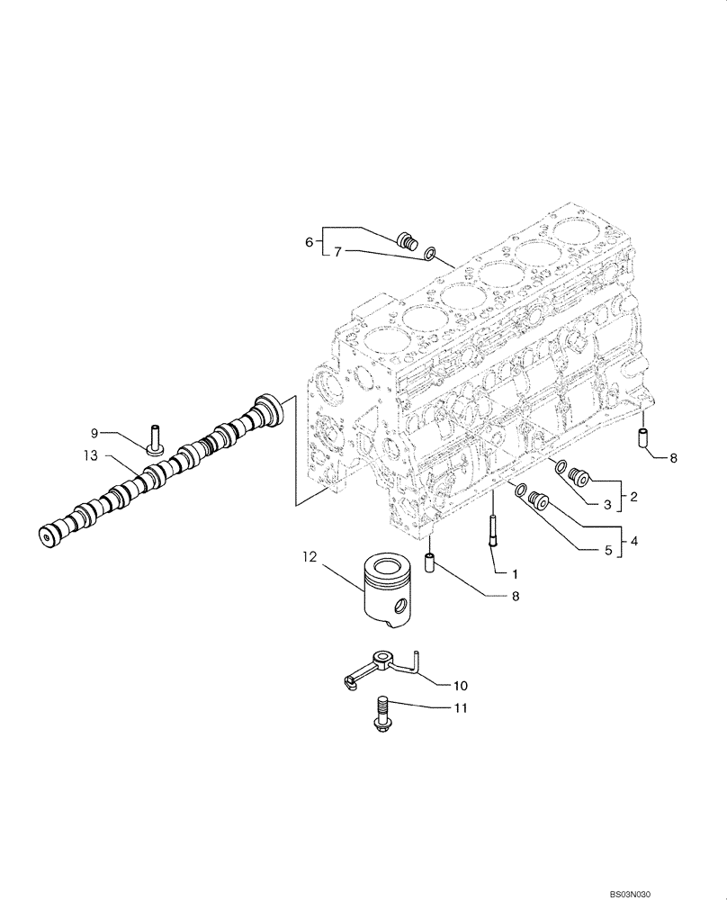
1

4896153

PLUG

If Used

6шт.

87538292

SHORT ENGINE

Includes All Parts On Figures 02-20, 02-21, 02-32, 02-33, 02-36, 02-37

1шт.

87538292R

REMAN-SHORT ENGINE

721E Tier 3 (8/06-)

1шт.

87538292C

SHORT ENGINE

Return Number

1шт.

1

87538292ER

REMAN-SHORT ENGINE

721E 6 Cylinder, Tier 3, (8/07)

1шт.

87538292EPAC

CORE-EPA ENGINE

Return Number

1шт.

2

4895605

HEX SOCKET PLUG,M14 x 1.5

- Assy

2шт.

3

4899115

O-RING,2.2mm Thk x 11.3mm ID

1шт.

4

4899009

PLUG,M10 x1

2шт.

5

4899072

O-RING,1.6mm Thk x 8.1mm ID

1шт.

6

4895392

HEX SOCKET PLUG,M18 x 1.5

- Assy

2шт.

7

4895393

O-RING,2.2mm Thk x 15.3mm ID

1шт.

8

4895049

DOWEL,M16.05 x 10

2шт.

9

4891226

TAPPET

12шт.

10

2852202

NOZZLE, PISTON COOLI

6шт.

11

4894218

SCREW,Special, M8 x 20

6шт.

12

REF

INSTRUCTION

Piston; See Figure 02-37

1шт.

13

REF

INSTRUCTION

Camshaft; See Figure 02-32

1шт.

Выбрано товаров: 18