Запчасти Case 721E (04-10) - HARNESS, REAR CHASSIS - HARNESS, THROTTLE CONTROL (04) - ELECTRICAL SYSTEMS

Схема запчастей Case 721E - (04-10) - HARNESS, REAR CHASSIS - HARNESS, THROTTLE CONTROL (04) - ELECTRICAL SYSTEMS
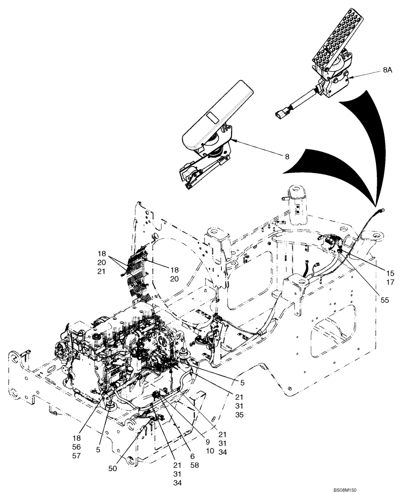
50
31
8a
31
10
55
35
18
17
9
34
6
5
21
57
31
18
56
20
21
15
8
21
21
34
58
5
20
18
FIT
1:1
100%

Артикул

Название

Примечание

Количество

5

L18331

CABLE TIE,375.9mm L, Nylon, Black

CABLE STRAP

9шт.

6

87542710

SENDER UNIT

Fuel Level; Incl. 7

1шт.

7

87617083

KIT

Nut Pack; Replaces 355331A1; Not Illustrated

1шт.

8

87327325

PEDAL

Analog, Engine Throttle; Used W/ Engine Assy 87452593; Component Parts Not Serviced Separately, Order Complete Assembly

1шт.

8a

87696524

THROTTLE

Digital, Engine; Used W/ Engine Assy 87692654; Kit for E-Pedal Sensor 8603127, Jumper Harness 8602793

1шт.

9

895-11005

WASHER,5.5mm ID x 10mm OD x 1mm Thk

5шт.

10

87733381

SCREW,Hex, #10 x 1 1/4", Gr 5

Hex, #10-24 X 1-1/4; Replaces 814-5030 Bolt Used On Some Models

5шт.

15

895-11006

WASHER,6.6mm ID x 12mm OD x 1.6mm Thk

3шт.

17

832-10406

NUT,M6 x 1, Cl 8

1шт.

18

895-11008

WASHER,9mm ID x 16mm OD x 1.6mm Thk

5шт.

20

627-8025

BOLT,Hex, M8 x 1.25 x 25mm, Cl 10.9, Full Thd

1шт.

21

832-10408

NUT,M8 x 1.25, Cl 8.8

7шт.

31

895-15008

WASHER,9mm ID x 20mm OD x 1.6mm Thk

4шт.

34

515-23206

CLAMP,13/16", Insul, 3/8" Bolt

3шт.

35

515-23270

CLAMP,1 1/16", Insul, 3/8" Bolt

1шт.

50

87350087

SWITCH

Hood Lift

1шт.

55

515-21302

CLAMP,1 3/16", Insul, 1/4" Bolt

1шт.

56

515-22127

CLAMP,1/2", Insul, 5/16" Bolt

1шт.

57

627-8016

BOLT,Hex, M8 x 1.25 x 16mm, Cl 10.9, Full Thd

1шт.

58

8603128

REPAIR KIT

Spring, Not Shown

1шт.

59

8603129

REPAIR KIT

Bellows, Not Shown

1шт.

Выбрано товаров: 0