Запчасти Case 821E (05-02) - CAB/CANOPY - STEERING COLUMN (76303625) BEFORE BUILD DATE 5-31-10 (05) - STEERING

Схема запчастей Case 821E - (05-02) - CAB/CANOPY - STEERING COLUMN (76303625) BEFORE BUILD DATE 5-31-10 (05) - STEERING
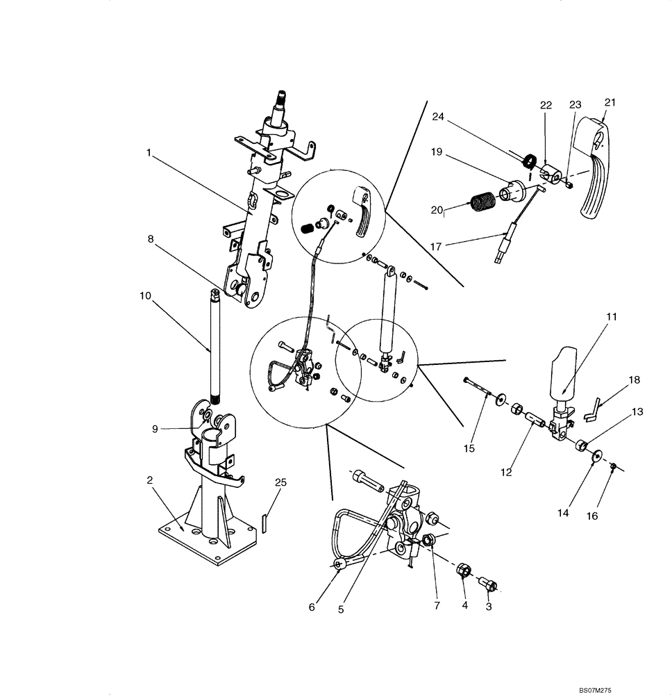
1
14
18
8
16
12
9
5
25
24
6
23
2
15
13
10
21
11
20
4
17
22
19
3
7
FIT
1:1
100%

Артикул

Название

Примечание

Количество

76303625

STEERING COLUMN

Incl. Refs. 1 - 25, Replaces 76303280

1шт.

87749651

STEERING COLUMN

STEERING COLUMN, Service Assy, Incl. Refs. 1, 2, 8, 9

1шт.

1

NSS

NOT SOLD SEPARAT

STEERING COLUMN, Upper

1шт.

2

NSS

NOT SOLD SEPARAT

STEERING COLUMN, Lower

1шт.

3

76300013

PIN

Replaces 87525216

1шт.

4

16104111

NUT,Prevailing Torque, M8, 1.25 Pitch, 10.6mm High, Cl 08, ZND

1шт.

5

4227226

FLEXIBLE JOINT

1шт.

6

14306621

HEX SOC SCREW,M8 x 35mm, Cl 8.8, Full Thd

2шт.

7

16104414

LOCK NUT,M8 x 1.25

2шт.

8

NSS

NOT SOLD SEPARAT

PIN, Rotational

2шт.

9

NSS

NOT SOLD SEPARAT

WASHER

2шт.

10

76303279

SHAFT

1шт.

11

76048930

GAS STRUT

1шт.

12

71480999

PIN

2шт.

13

76048394

SPACER

4шт.

14

14496231

WASHER

4шт.

15

87526283

SCREW,M3 x 40mm

2шт.

16

16101721

NUT,M3, Cl 10

2шт.

17

76048955

CABLE,680mm L

1шт.

18

76300038

PLATE

1шт.

19

87525218

SPRING

1шт.

20

87525220

SPRING

1шт.

21

76048941

HANDLE

1шт.

22

87525221

PIN,17mm OD x 20mm L

1шт.

23

13797721

SET SCREW,Hex Skt, M6 x 8mm, Cone Pt

1шт.

24

76300020

SPRING

If Used

1шт.

25

NSS

NOT SOLD SEPARAT

Identification Plate

1шт.

Выбрано товаров: 27