Запчасти Case 821E (05-02A) - CAB/CANOPY - STEERING COLUMN (87497543) AFTER BUILD DATE 5-30-10 (05) - STEERING

Схема запчастей Case 821E - (05-02A) - CAB/CANOPY - STEERING COLUMN (87497543) AFTER BUILD DATE 5-30-10 (05) - STEERING
2
4
3
5
6
1
8
7
9
FIT
1:1
100%

Артикул

Название

Примечание

Количество

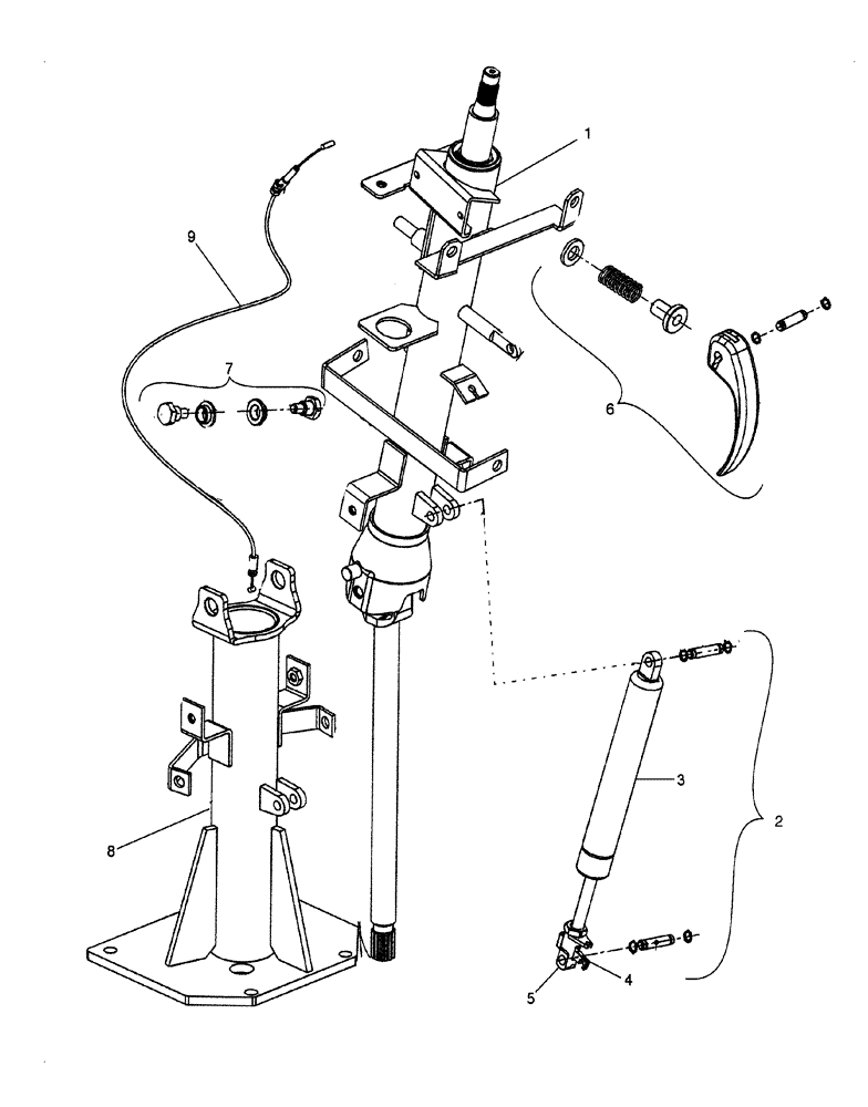
87497543

STEERING COLUMN

1шт.

76303625

STEERING COLUMN

STEERING COLUMN, Incl. Refs. 1 - 6; Component Parts Not Serviced Individually, Order Kits

1шт.

1

84177064

REPAIR KIT

KIT, Upper Column and Shaft Assy.

1шт.

2

84177065

REPAIR KIT

KIT, Gas Spring

1шт.

3

76048930

GAS STRUT

1шт.

4

84243534

LEVER

1шт.

5

84243594

HEAD

1шт.

6

84155696

REPAIR KIT

KIT, Lever

1шт.

7

84155697

REPAIR KIT

KIT, Pivot

1шт.

8

84155699

HOLDER

KIT, Lower Column, Support Assy.

1шт.

9

84155700

CABLE

KIT, Cable, Gas Strut Activator

1шт.

Выбрано товаров: 0