Запчасти Case 821E (05-09) - STEERING, STANDARD - HYDRAULICS - CYLINDER (05) - STEERING

Схема запчастей Case 821E - (05-09) - STEERING, STANDARD - HYDRAULICS - CYLINDER (05) - STEERING
16
6
16
10
1
15
4
12
1
13
2
11
14
8
6
3
5
17
7
15
15
5a
9
FIT
1:1
100%

Артикул

Название

Примечание

Количество

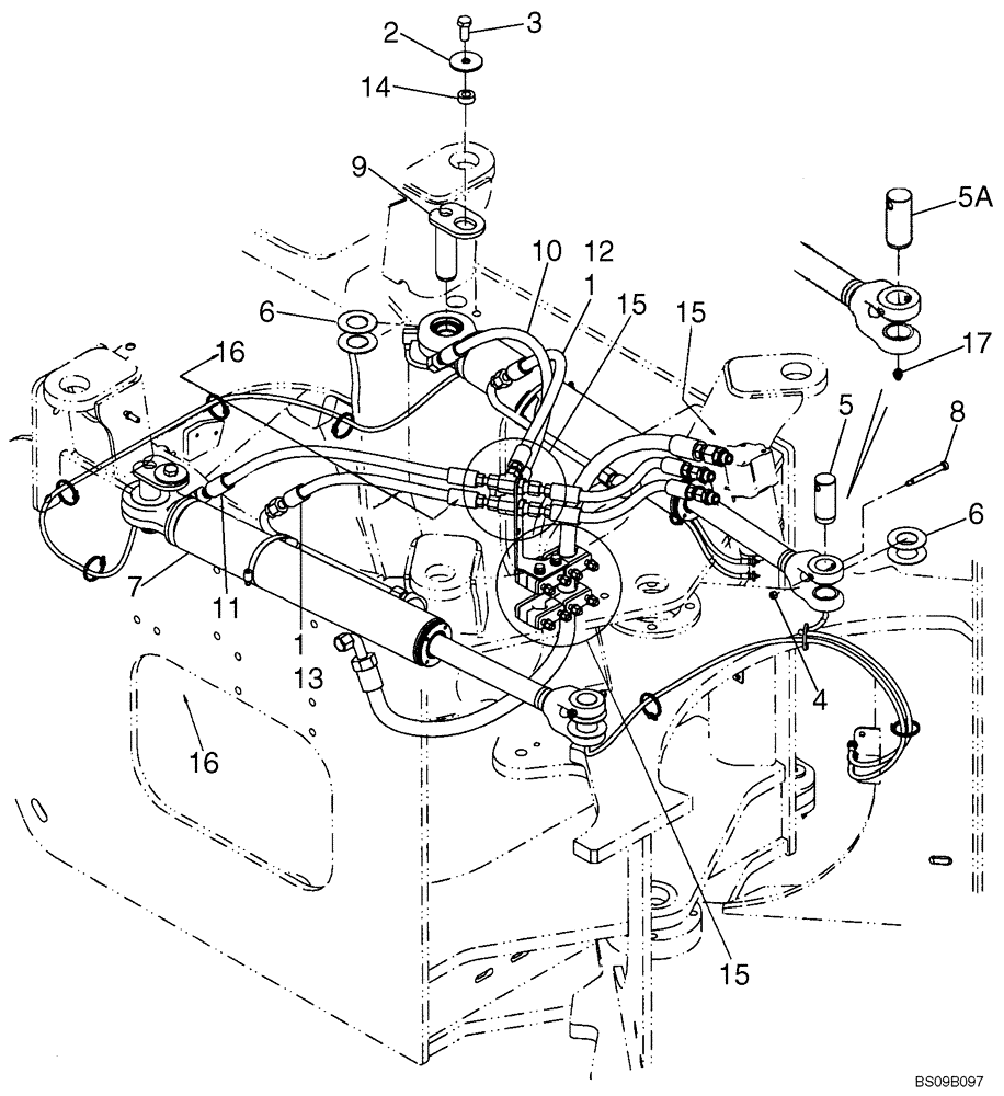
1

238-6016

O-RING,0.07" Thk x 0.614" ID, -16, Cl 6, 90 Duro

Face Seal

2шт.

2

496-81025

WASHER,21/32" x 2 1/2" x .188", HDN

2шт.

3

627-16035

BOLT,Hex, M16 x 2 x 35mm, Cl 10.9, Full Thd

2шт.

4

832-10408

NUT,M8 x 1.25, Cl 8.8

2шт.

5

87559561

PIN,40mm OD x 95.1mm L

Front Chassis; Models With Remote Grease Lines; If Used

2шт.

5a

87559561

PIN,40mm OD x 95.1mm L

Front Chassis; Models W/Out Remote Grease Lines; If Used

2шт.

6

8501088

WASHER,41mm ID x 76mm OD x 1.59mm Thk

41 x 76 x 1,5 mm

8шт.

7

87307850

STEERING CYLINDER,44.5mm Rod, 481.9mm Stroke

See Figure 05-1

2шт.

7

87307850R

REMAN-HYD CYLINDER

821E WHEEL LOADER TIER 3 NA/EU (8/06-)

2шт.

7

87307850C

CORE-HYD CYLINDER

Return Number

2шт.

8

87308853

HEX SOC SCREW,M8 x 96.4mm, Cl 12.9

Shoulder M8 x 80; 12.9; If Used

2шт.

9

87351646

PIN,39.96mm OD x 141mm L

Rear Chassis

2шт.

10

87338203

HOSE ASSY.,12.7mm ID x 912mm L, SAE 100R16

912mm ( 36 in ); Base; LH

1шт.

11

87519865

HOSE ASSY.

737mm ( 29 in ); Base; RH; Models Without Joystick Steering; If Used

1шт.

12

87338205

HOSE ASSY.,12.7mm ID x 745mm L, SAE 100R16

745mm ( 29 in ); Rod; LH

1шт.

13

87338206

HOSE ASSY.

530mm ( 21 in ); Rod; RH; Models Without Joystick Steering; If Used

1шт.

14

L125100

SPACER,17.48mm ID x 31.75mm OD x 14.3mm Thk

2шт.

15

REF

INSTRUCTION

VIEWS A, B, AND C; See Figure 05-10

1шт.

16

REF

INSTRUCTION

VIEWS F AND EE; See Figure 05-11

1шт.

17

219-1

LUBE NIPPLE,1/8" - 27 NPTF

Models W/Out Remote Grease Lines; If Used

1шт.

Выбрано товаров: 0